טרנזיסטור - IGBT MODULE - N CH - 1200V 600A - 3350W INFINEON ועוד רכיבי אלקטרוניקה. לחצו למיפרט טכני מלא. צרו קשר לייעוץ מקצועי: 04-8520233
טרנזיסטור - IGBT MODULE - N CH - 1200V 600A - 3350W
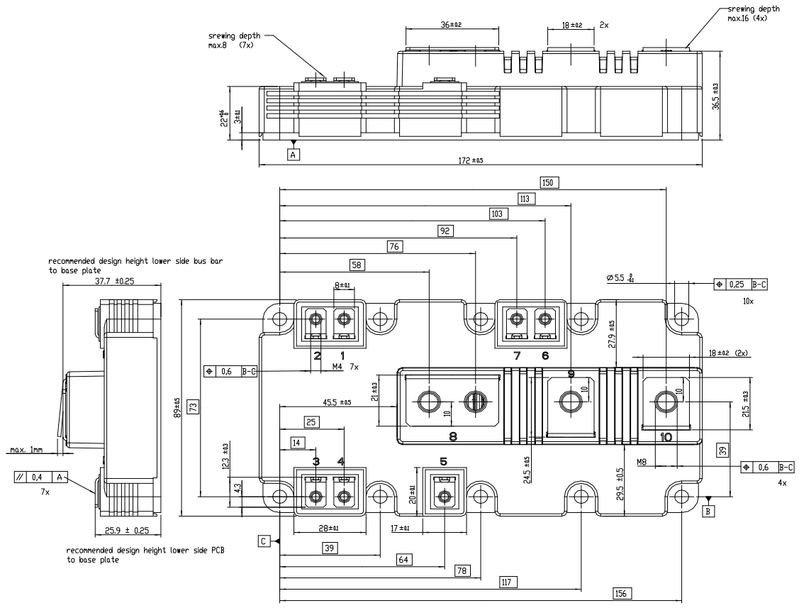
♦ דגם הטרנזיסטור : FF600R12IP4
♦ מבנה הטרנזיסטור : PRIMEPACK2

מוצרים נלווים







