טרנזיסטור - IGBT MODULE - N CH - 1200V 900A - 5100W INFINEON ועוד רכיבי אלקטרוניקה. לחצו למיפרט טכני מלא. צרו קשר לייעוץ מקצועי: 04-8520233
טרנזיסטור - IGBT MODULE - N CH - 1200V 900A - 5100W
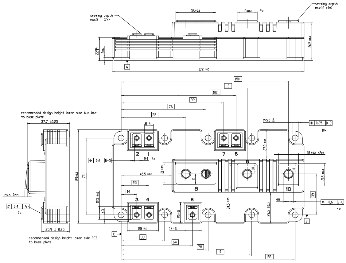
♦ דגם הטרנזיסטור : FF900R12IP4D
♦ מבנה הטרנזיסטור : PRIMEPACK2
.jpg)
מוצרים נלווים







