טרנזיסטור - IGBT MODULE - N CH - 1700V 650A - 4150W INFINEON ועוד רכיבי אלקטרוניקה. לחצו למיפרט טכני מלא. צרו קשר לייעוץ מקצועי: 04-8520233
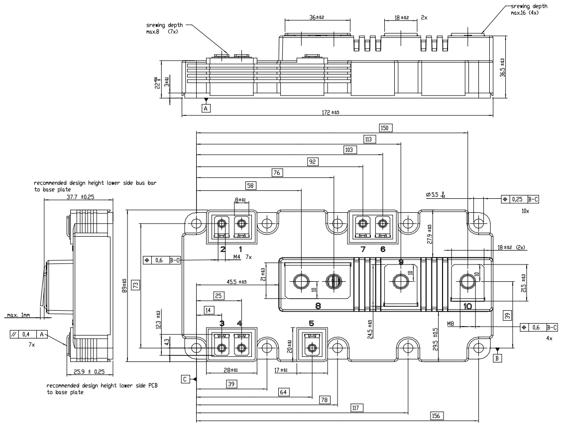
טרנזיסטור - IGBT MODULE - N CH - 1700V 650A - 4150W
♦ דגם הטרנזיסטור : FF650R17IE4D_B2
♦ מבנה הטרנזיסטור : PRIMEPACK2
.jpg)
מוצרים נלווים







