מגבר אודיו - ערוץ 1 - SMD - 1000MW - 2.7V-5.5V TEXAS INSTRUMENTS ועוד מעגלים משולבים (IC). לחצו למיפרט טכני מלא. צרו קשר לייעוץ מקצועי: 04-8520233
מגבר אודיו - ערוץ 1 - SMD - 1000MW - 2.7V-5.5V
♦ דגם המגבר : LM4860M
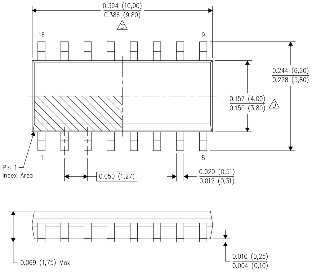
♦ מבנה המגבר : SOIC-16

מוצרים נלווים







