מגבר אודיו - 2 ערוצים - SMD - 4.75-5.25V - 10Kohm TEXAS INSTRUMENTS ועוד מעגלים משולבים (IC). לחצו למיפרט טכני מלא. צרו קשר לייעוץ מקצועי: 04-8520233
מגבר אודיו - 2 ערוצים - SMD - 4.75-5.25V - 10Kohm
♦ דגם המגבר : PGA2311U
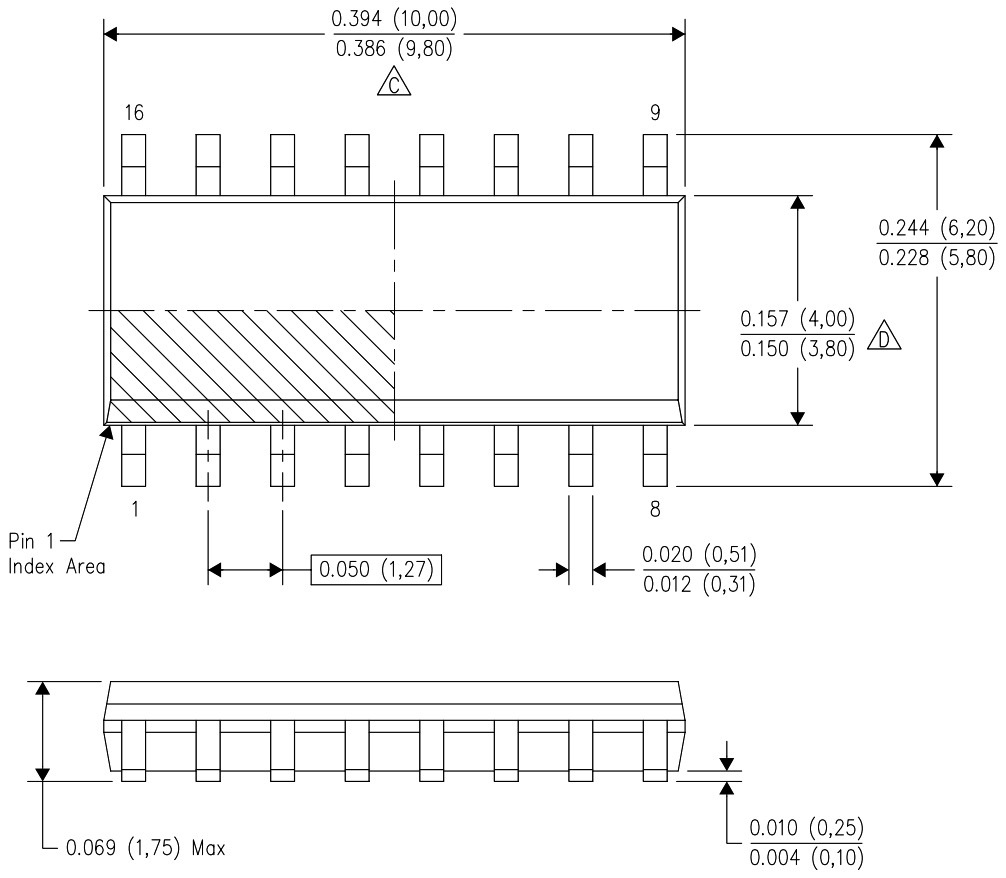
♦ מבנה המגבר : SOIC-16
.jpg)
מוצרים נלווים







