מגבר אודיו - ערוץ 1 - DIP - 700MW - 5V-18V TEXAS INSTRUMENTS ועוד מעגלים משולבים (IC). לחצו למיפרט טכני מלא. צרו קשר לייעוץ מקצועי: 04-8520233
מגבר אודיו - ערוץ 1 - DIP - 700MW - 5V-18V
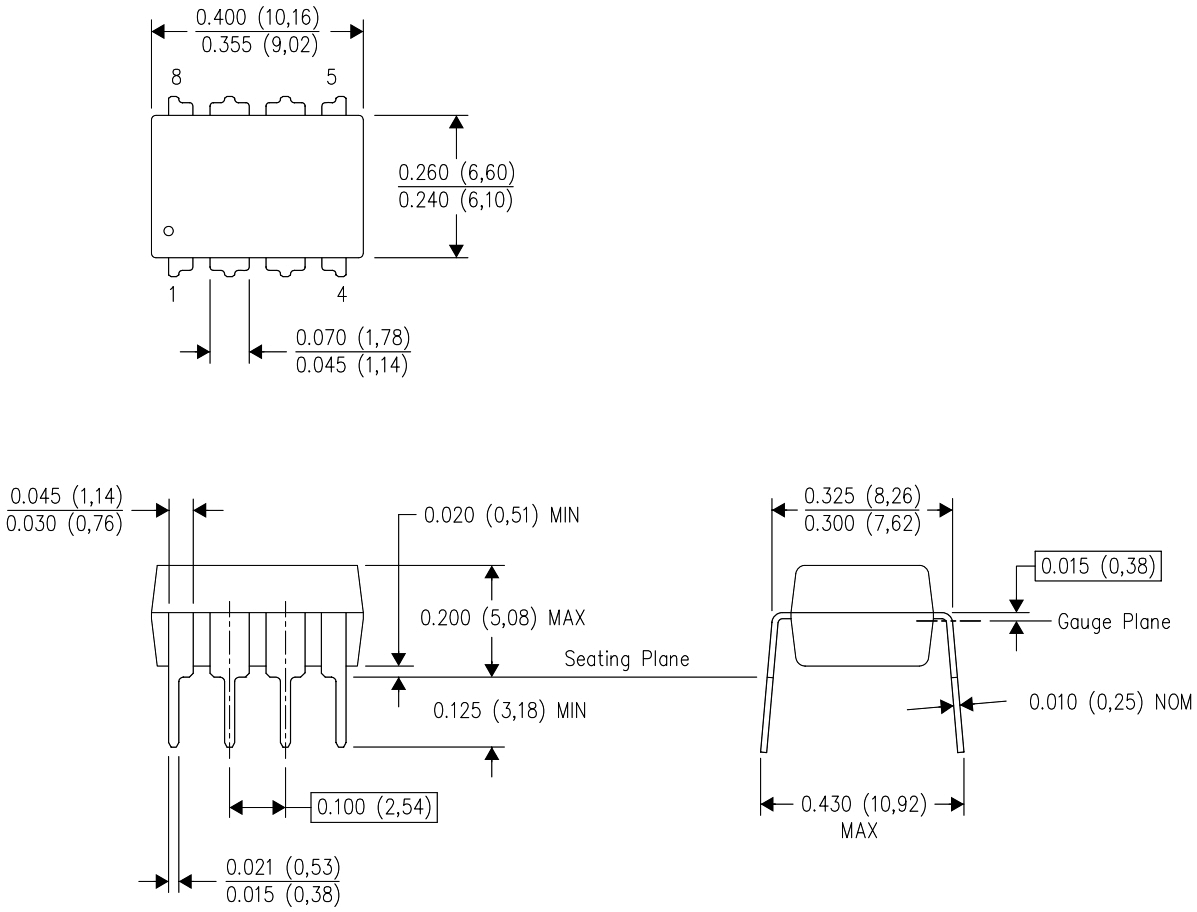
♦ דגם המגבר : LM386N-4
♦ מבנה המגבר : DIP-8
.jpg)
מוצרים נלווים
|
טיפים והמלצות פתרונות קירור לאלקטרוניקה: למה הפרויקט שלכם צריך מאוורר או גוף קירור? דרמל ושימושים של הכלי הרב תכליתי קליבר - הכלי המדוייק למדידה מזוודת אחסון כלי עבודה שימושים בסוללת ומצברים 12 וולט מוצרי תחזוקה וניקוי באלקטרוניקה זיווד באלקטרוניקה - קופסאות חשמל פלסטיק מצברים 6 וולט/12 וולט וסוללות 6V/12V ציוד ניקיון - כלים חשמליים לניקיון שואבי אבק לתעשיה ולבית - לניקיון מהיר ויסודי |
מגבר אודיו - ערוץ 1 - DIP - 700MW - 5V-18V TEXAS INSTRUMENTS ועוד מעגלים משולבים (IC). לחצו למיפרט טכני מלא. צרו קשר לייעוץ מקצועי: 04-8520233 מגבר אודיו - ערוץ 1 - DIP - 700MW - 5V-18V
♦ דגם המגבר : LM386N-4 ♦ מבנה המגבר : DIP-8
מוצרים נלווים |