מגבר וידאו - 2 ערוצים - DIP - 450V/µs - 2.5V-18V - 130MHZ ANALOG DEVICES ועוד מעגלים משולבים (IC). לחצו למיפרט טכני מלא. צרו קשר לייעוץ מקצועי: 04-8520233
מגבר וידאו - 2 ערוצים - DIP - 450V/µs - 2.5V-18V - 130MHZ
♦ דגם המגבר : AD828ANZ
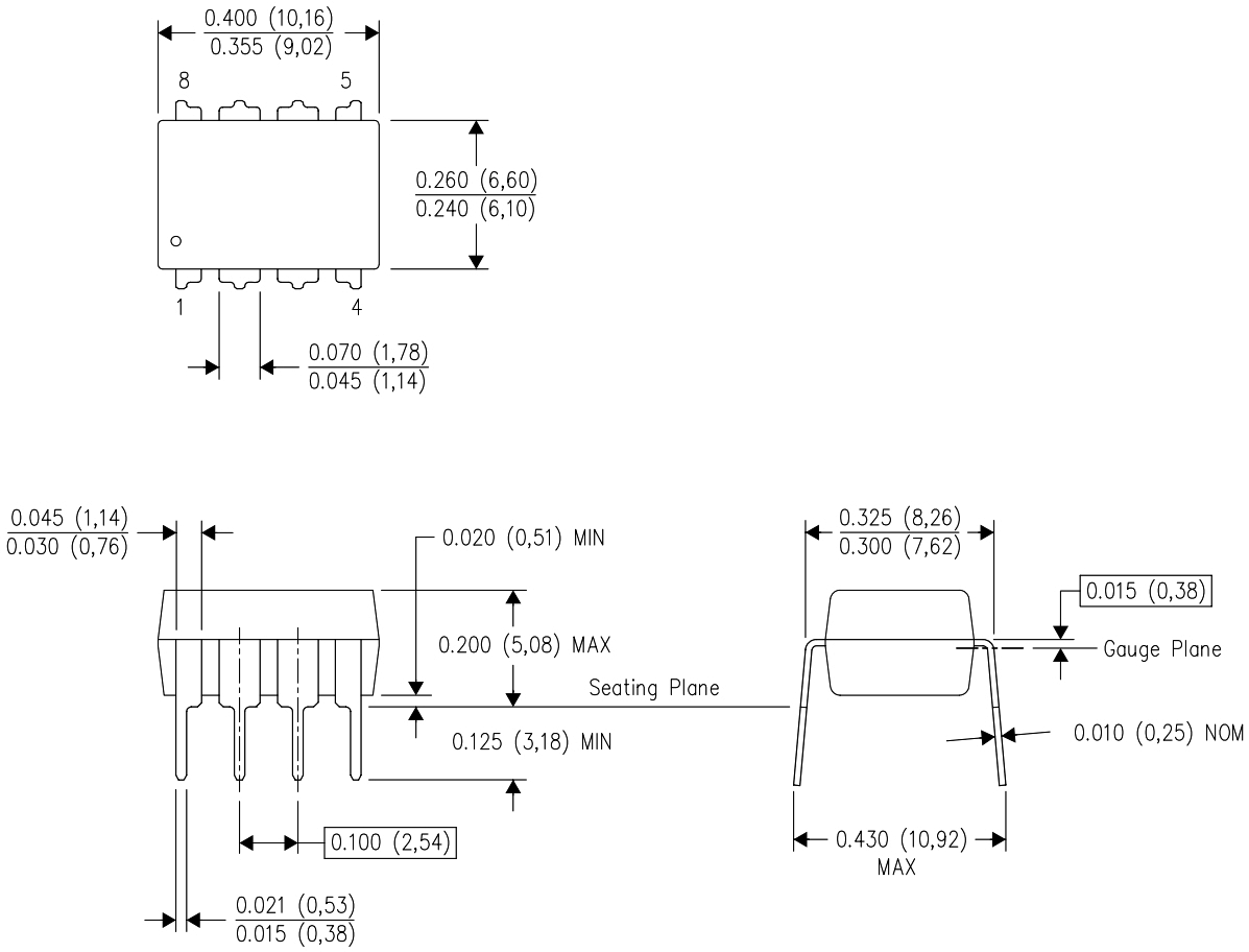
♦ מבנה המגבר : DIP-8
.jpg)
מוצרים נלווים







