מגבר וידאו - ערוץ 1 - DIP - 2500V/µs - 4.5V-18V - 140MHZ ANALOG DEVICES ועוד מעגלים משולבים (IC). לחצו למיפרט טכני מלא. צרו קשר לייעוץ מקצועי: 04-8520233
מגבר וידאו - ערוץ 1 - DIP - 2500V/µs - 4.5V-18V - 140MHZ
♦ דגם המגבר : AD811ANZ
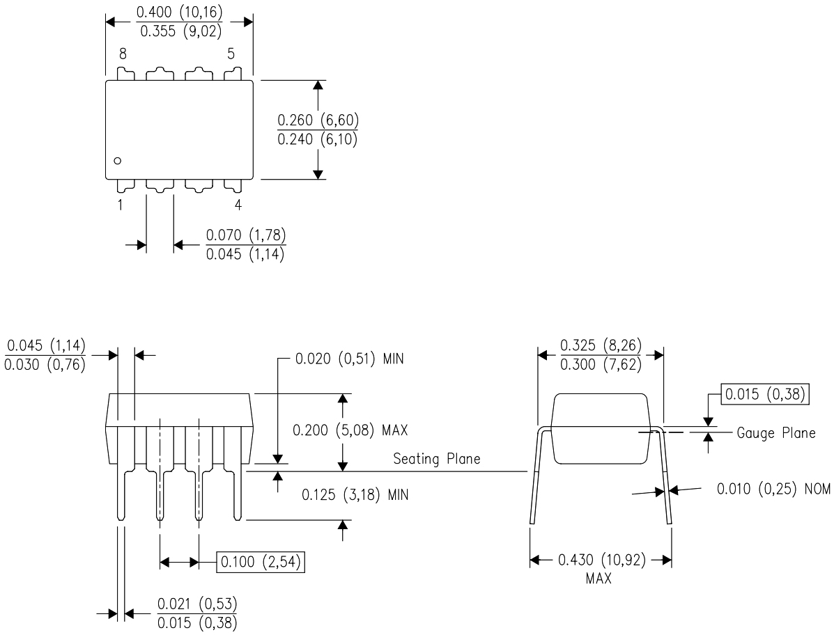
♦ מבנה המגבר : DIP-8
.jpg)
מוצרים נלווים







