מגבר הפרש - 2 ערוצים - SMD - 500µV - 2V-18V - 500KHZ ANALOG DEVICES ועוד מעגלים משולבים (IC). לחצו למיפרט טכני מלא. צרו קשר לייעוץ מקצועי: 04-8520233
מגבר הפרש - 2 ערוצים - SMD - 500µV - 2V-18V - 500KHZ
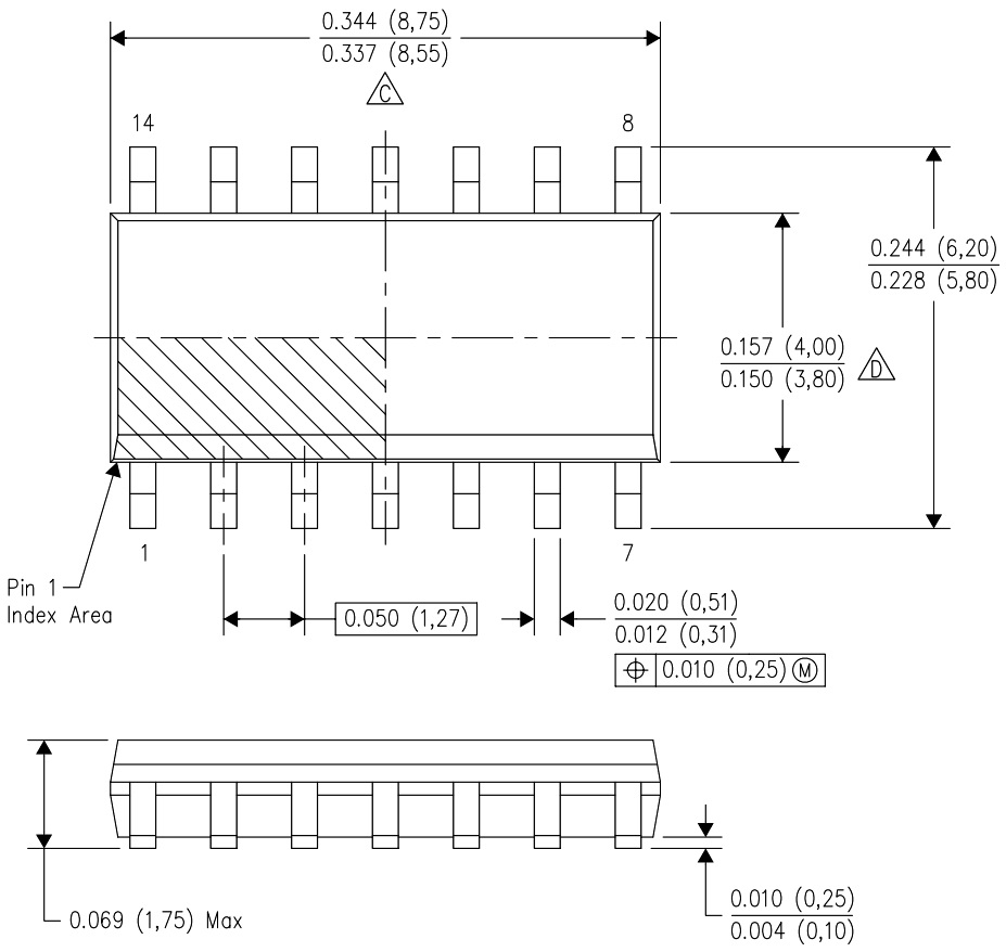
♦ דגם המגבר : AD8277ARZ
♦ מבנה המגבר : SOIC-14
.jpg)
מוצרים נלווים







