מגבר הפרש - ערוץ 1 - DIP - 1MV - 2.5V-18V - 500KHZ ANALOG DEVICES ועוד מעגלים משולבים (IC). לחצו למיפרט טכני מלא. צרו קשר לייעוץ מקצועי: 04-8520233
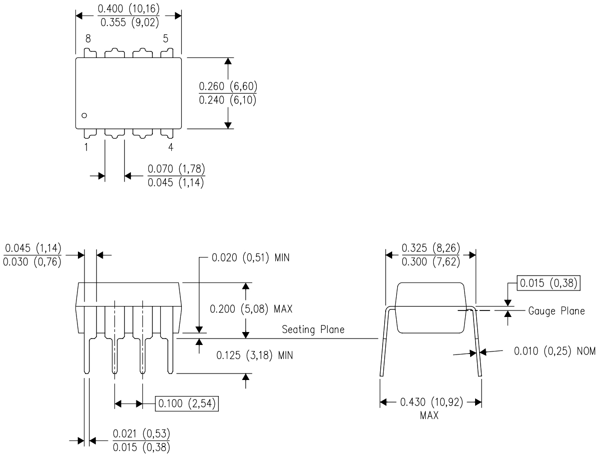
מגבר הפרש - ערוץ 1 - DIP - 1MV - 2.5V-18V - 500KHZ
♦ דגם המגבר : AD629ANZ
♦ מבנה המגבר : DIP-8
.jpg)
מוצרים נלווים







