מגבר מכשור - ערוץ 1 - SMD - 10µV - 2.7V-5.5V - 8MHZ TEXAS INSTRUMENTS ועוד מעגלים משולבים (IC). לחצו למיפרט טכני מלא. צרו קשר לייעוץ מקצועי: 04-8520233
מגבר מכשור - ערוץ 1 - SMD - 10µV - 2.7V-5.5V - 8MHZ
♦ דגם המגבר : LMP8358MA
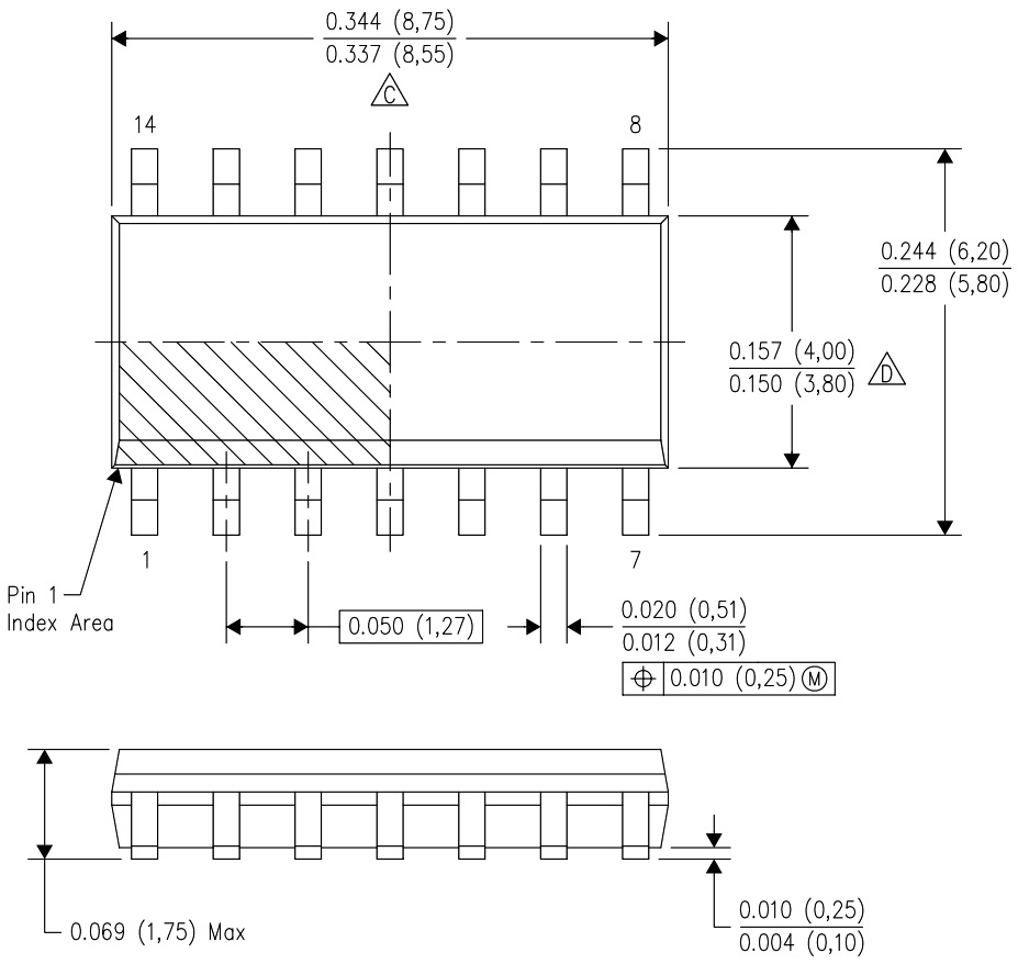
♦ מבנה המגבר : SOIC-14
.jpg)
מוצרים נלווים







