מגבר מכשור - ערוץ 1 - SMD - 50µV - 4.5V-18V - 1MHZ TEXAS INSTRUMENTS ועוד מעגלים משולבים (IC). לחצו למיפרט טכני מלא. צרו קשר לייעוץ מקצועי: 04-8520233
מגבר מכשור - ערוץ 1 - SMD - 50µV - 4.5V-18V - 1MHZ
♦ דגם המגבר : PGA205BU
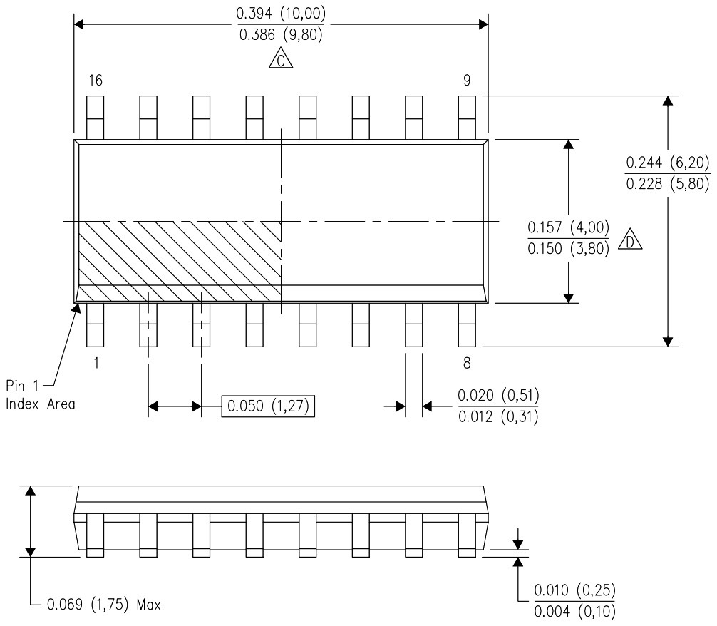
♦ מבנה המגבר : SOIC-16
.jpg)
מוצרים נלווים







