מגבר מכשור - 2 ערוצים - SMD - 500µV - 1.35V-18V - 9KHZ TEXAS INSTRUMENTS ועוד מעגלים משולבים (IC). לחצו למיפרט טכני מלא. צרו קשר לייעוץ מקצועי: 04-8520233
מגבר מכשור - 2 ערוצים - SMD - 500µV - 1.35V-18V - 9KHZ
♦ דגם המגבר : INA2126UA
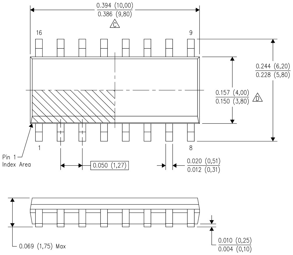
♦ מבנה המגבר : SOIC-16
.jpg)
מוצרים נלווים







