מגבר מכשור - ערוץ 1 - SMD - 2.5MV - 4.5V-18V - 5MHZ TEXAS INSTRUMENTS ועוד מעגלים משולבים (IC). לחצו למיפרט טכני מלא. צרו קשר לייעוץ מקצועי: 04-8520233
מגבר מכשור - ערוץ 1 - SMD - 2.5MV - 4.5V-18V - 5MHZ
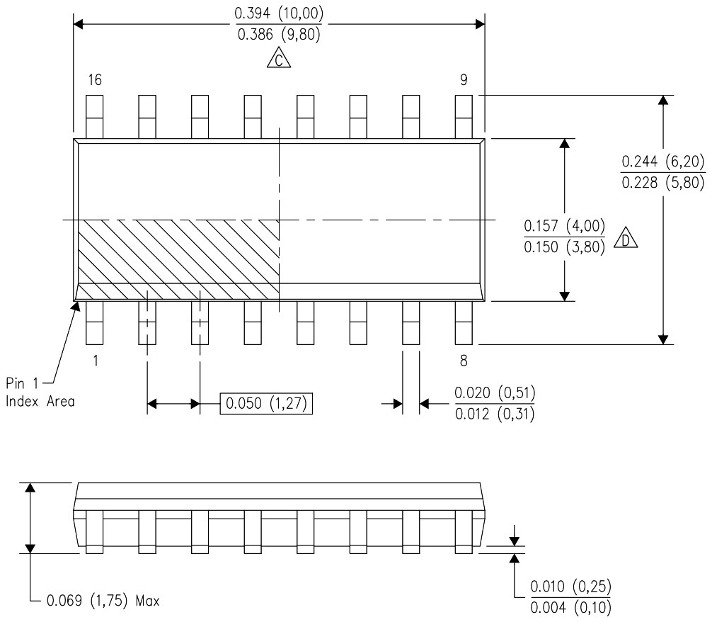
♦ דגם המגבר : PGA206UA
♦ מבנה המגבר : SOIC-16
.jpg)
מוצרים נלווים







