מגבר מכשור - ערוץ 1 - DIP - 125µV - 1.35V-18V - 800KHZ TEXAS INSTRUMENTS ועוד מעגלים משולבים (IC). לחצו למיפרט טכני מלא. צרו קשר לייעוץ מקצועי: 04-8520233
מגבר מכשור - ערוץ 1 - DIP - 125µV - 1.35V-18V - 800KHZ
♦ דגם המגבר : INA118P
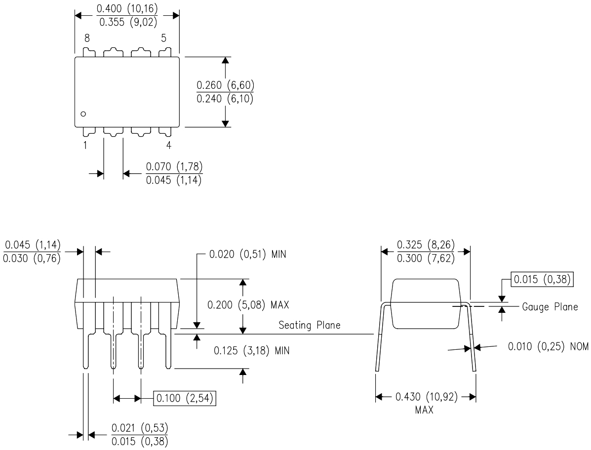
♦ מבנה המגבר : DIP-8
.jpg)
מוצרים נלווים







