מגבר מכשור - 3 ערוצים - DIP - 250µV - 4.5V-18V - 3.4MHZ TEXAS INSTRUMENTS ועוד מעגלים משולבים (IC). לחצו למיפרט טכני מלא. צרו קשר לייעוץ מקצועי: 04-8520233
מגבר מכשור - 3 ערוצים - DIP - 250µV - 4.5V-18V - 3.4MHZ
♦ דגם המגבר : INA217AIP
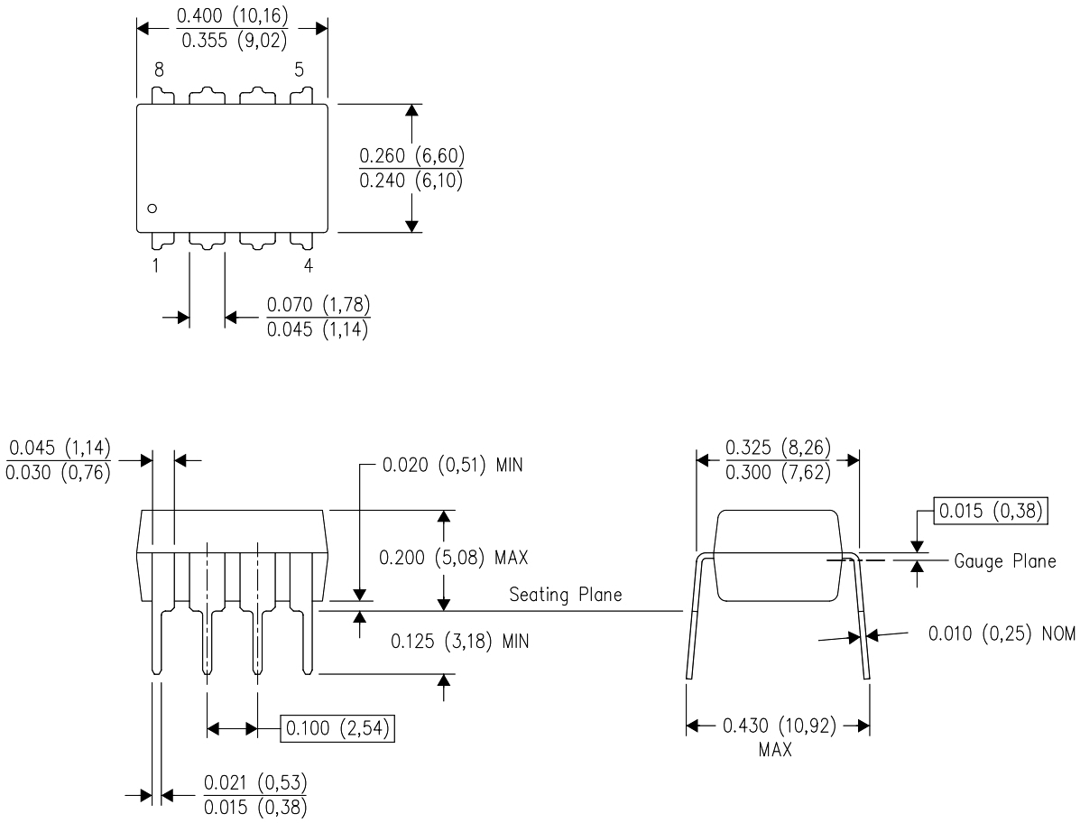
♦ מבנה המגבר : DIP-8
.jpg)
מוצרים נלווים







