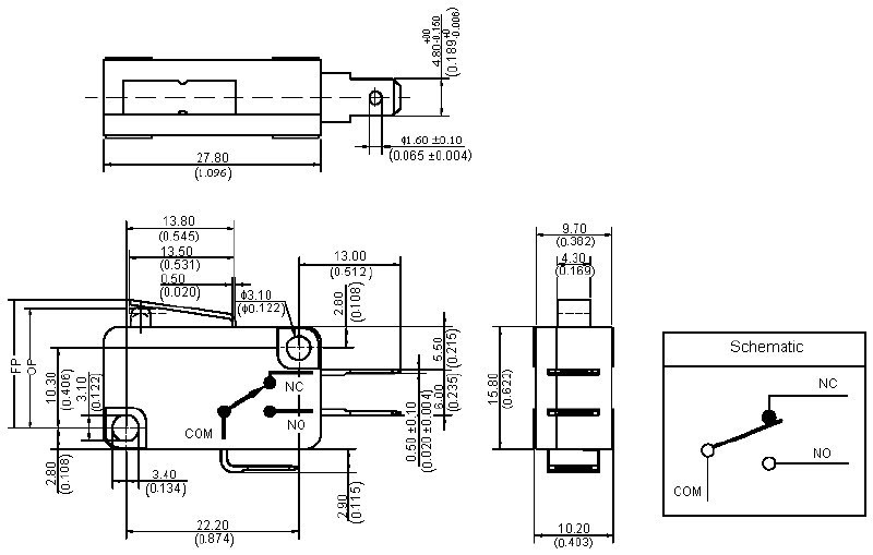
מפסק מיקרו - SPDT 10A - ידית קצרה MULTICOMP ועוד רכיבי אלקטרוניקה. לחצו למיפרט טכני מלא. צרו קשר לייעוץ מקצועי: 04-8520233
מפסק מיקרו - SPDT 10A - ידית קצרה
♦ מתח מקסימלי : 250VAC
♦ מספר פעולות : 1,000,000

מוצרים נלווים
|
טיפים והמלצות פתרונות קירור לאלקטרוניקה: למה הפרויקט שלכם צריך מאוורר או גוף קירור? דרמל ושימושים של הכלי הרב תכליתי קליבר - הכלי המדוייק למדידה מזוודת אחסון כלי עבודה מוצרי תחזוקה וניקוי באלקטרוניקה זיווד באלקטרוניקה - קופסאות חשמל פלסטיק מה מודדים במיקרומטר? ציוד ניקיון - כלים חשמליים לניקיון שואבי אבק לתעשיה ולבית - לניקיון מהיר ויסודי ארגזי כלים ופתרונות אחסון לציוד וכלי עבודה |
מפסק מיקרו - SPDT 10A - ידית קצרה MULTICOMP ועוד רכיבי אלקטרוניקה. לחצו למיפרט טכני מלא. צרו קשר לייעוץ מקצועי: 04-8520233 מפסק מיקרו - SPDT 10A - ידית קצרה
♦ מתח מקסימלי : 250VAC ♦ מספר פעולות : 1,000,000
מוצרים נלווים |