מפסק מיקרו - SPDT 10A - ידית בינונית MULTICOMP ועוד רכיבי אלקטרוניקה. לחצו למיפרט טכני מלא. צרו קשר לייעוץ מקצועי: 04-8520233
לקוחותינו התעניינו גם ב...
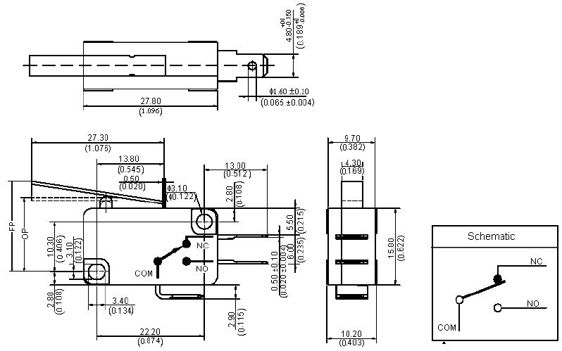
מפסק מיקרו - SPDT 10A - ידית בינונית
♦ מתח מקסימלי : 250VAC
♦ מספר פעולות : 1,000,000

מוצרים נלווים







