מפסק מנעול ומפתח - SPDT - 2POS - ON/ON - 1K/P MULTICOMP ועוד רכיבי אלקטרוניקה. לחצו למיפרט טכני מלא. צרו קשר לייעוץ מקצועי: 04-8520233
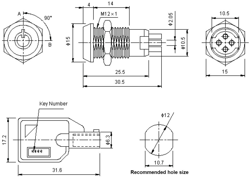
מפסק מנעול ומפתח - SPDT - 2POS - ON/ON - 1K/P
♦ מתח מגעים : 125-250VAC
♦ זרם מגעים : 0.5-1A
♦ סוג מפתח : גלילי
♦ מסופק עם 2 מפתחות

מוצרים נלווים







