מפסק מנעול ומפתח - SPDT - 2POS - ON/ON - 1K/P MULTICOMP ועוד רכיבי אלקטרוניקה. לחצו למיפרט טכני מלא. צרו קשר לייעוץ מקצועי: 04-8520233
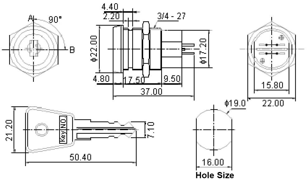
מפסק מנעול ומפתח - SPDT - 2POS - ON/ON - 1K/P
♦ מתח מגעים מקסימלי : 250VAV , 28VDC
♦ זרם מגעים מקסימלי : (4A (AC) , 4A (DC
♦ סוג מפתח : שטוח
♦ מסופק עם 2 מפתחות
.jpg)
מוצרים נלווים







