מגבר שרת - ערוץ 1 - SMD - 22V/µs - 2.7V-5.5V - 38MHZ TEXAS INSTRUMENTS ועוד מעגלים משולבים (IC). לחצו למיפרט טכני מלא. צרו קשר לייעוץ מקצועי: 04-8520233
מגבר שרת - ערוץ 1 - SMD - 22V/µs - 2.7V-5.5V - 38MHZ
♦ דגם המגבר : OPA350EA
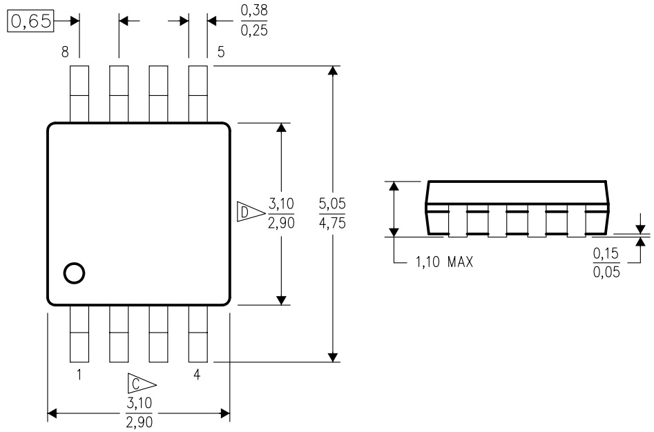
♦ מבנה המגבר : MSOP-8
.jpg)
מוצרים נלווים







