פוטנציומטר חד סיבובי כפול - OMEG PC16 - 470K OMEG ועוד רכיבי אלקטרוניקה. לחצו למיפרט טכני מלא. צרו קשר לייעוץ מקצועי: 04-8520233
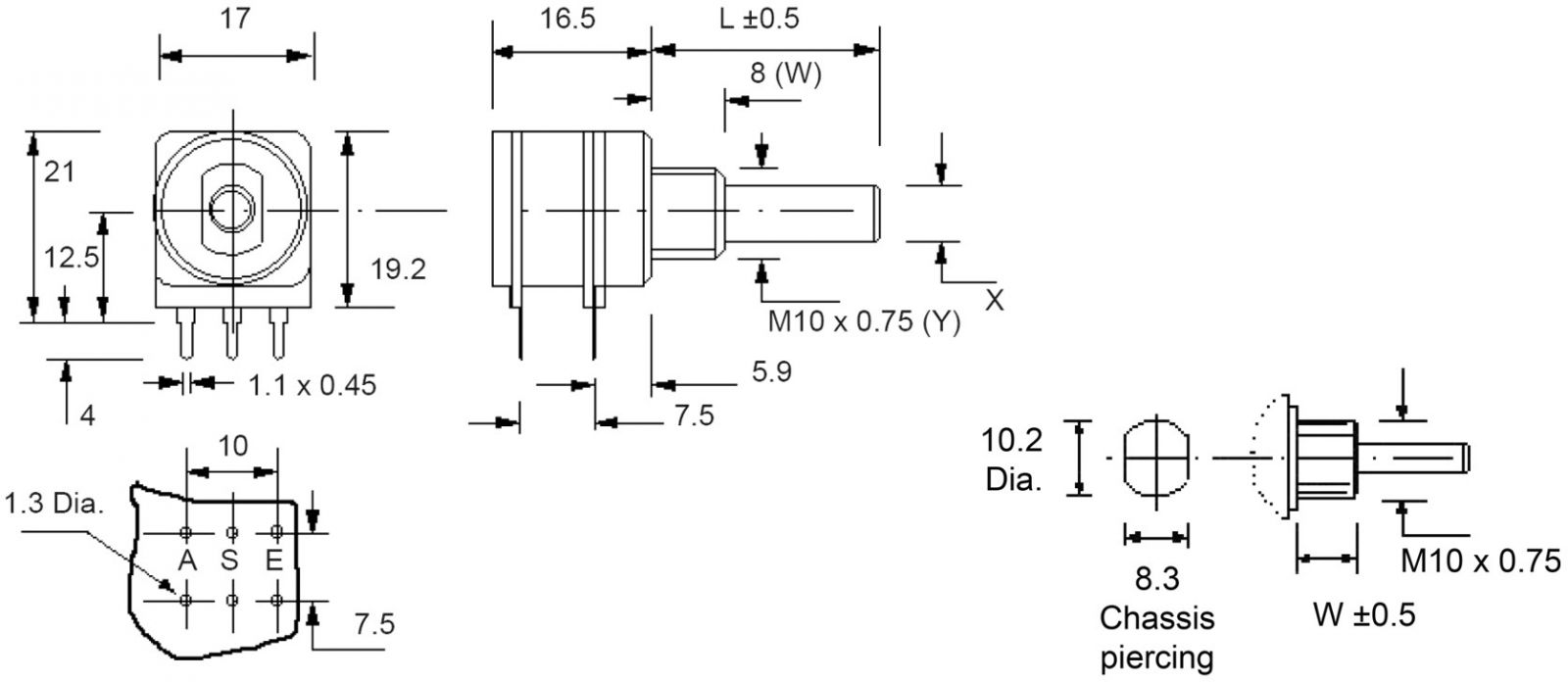
פוטנציומטר חד סיבובי כפול - OMEG PC16 - 470K
♦ CONDUCTIVE PLASTIC POLYMER
♦ סוג : לינארי
♦ הספק : 0.25W
♦ מתח מקסימלי : 350VDC
♦ אורך הידית : עד 40MM
♦ קוטר הידית : 6MM
♦ קוטר סיבוב : 270 מעלות
♦ מספר פעולות : 20,000 סיבובים
.jpg)
מוצרים נלווים







