מגבר שרת - ערוץ 1 - TO - 38V/µs - 10V-40V - 7.5MHZ TEXAS INSTRUMENTS ועוד מעגלים משולבים (IC). לחצו למיפרט טכני מלא. צרו קשר לייעוץ מקצועי: 04-8520233
מגבר שרת - ערוץ 1 - TO - 38V/µs - 10V-40V - 7.5MHZ
♦ דגם המגבר : OPA453TA
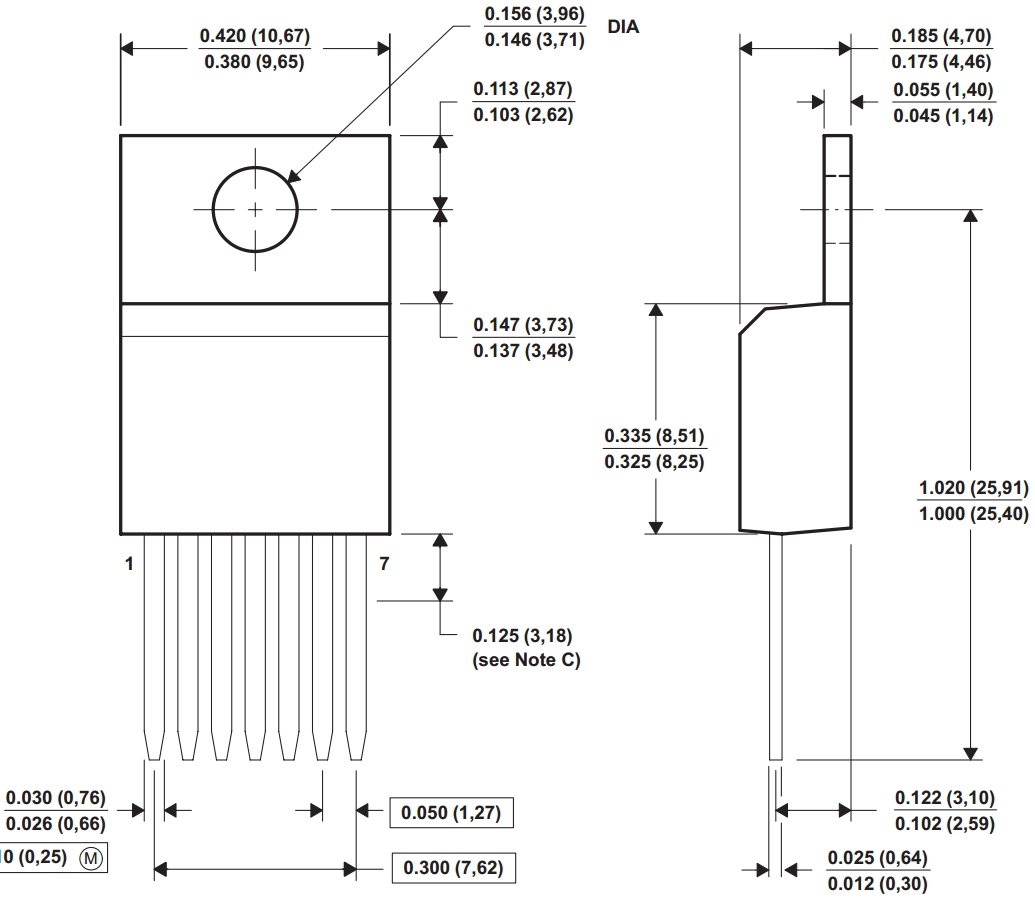
♦ מבנה המגבר : TO-220-7

מוצרים נלווים







