מעגלים משולבים (IC) » רכיבים לוגיים - LOGIC IC'S » חוצצים , דוחפים ומקמ"שים - BUFFERS , LINE DRIVERS & TRANCEIVERS - TSSOP
חוצץ / דוחף קו - לא הופך - SMD - 2V-5.5V TEXAS INSTRUMENTS ועוד מעגלים משולבים (IC). לחצו למיפרט טכני מלא. צרו קשר לייעוץ מקצועי: 04-8520233
חוצץ / דוחף קו - לא הופך - SMD - 2V-5.5V
♦ מק''ט יצרן : SN74AHC125PW
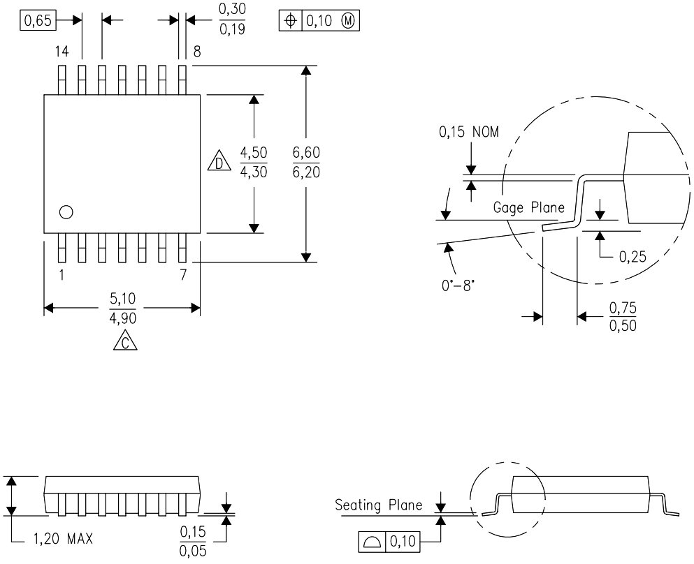
♦ מבנה הרכיב : TSSOP-14
.jpg)
מוצרים נלווים







