מהפך לוגי - כניסה 1 - SMD - 4.5V-5.5V - 4MA - INV TEXAS INSTRUMENTS ועוד מעגלים משולבים (IC). לחצו למיפרט טכני מלא. צרו קשר לייעוץ מקצועי: 04-8520233
מהפך לוגי - כניסה 1 - SMD - 4.5V-5.5V - 4MA - INV
♦ מק''ט יצרן : SN74HCT04D
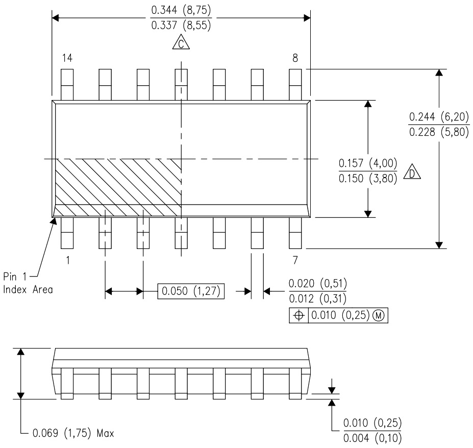
♦ מבנה הרכיב : SOIC-14
.jpg)
מוצרים נלווים







