שער לוגי - 2 כניסות - SMD - 3V-5.5V - 24MA - OR TEXAS INSTRUMENTS ועוד מעגלים משולבים (IC). לחצו למיפרט טכני מלא. צרו קשר לייעוץ מקצועי: 04-8520233
שער לוגי - 2 כניסות - SMD - 3V-5.5V - 24MA - OR
♦ מק''ט יצרן : 74AC11032D
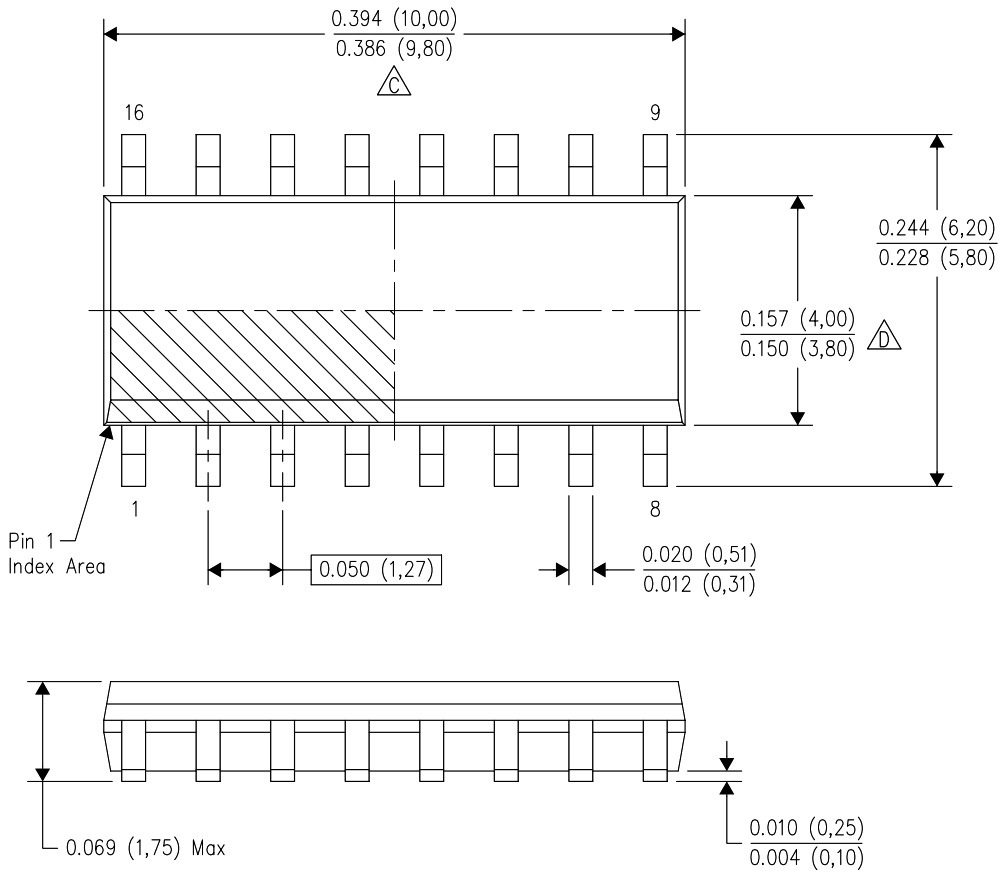
♦ מבנה הרכיב : SOIC-16
.jpg)
מוצרים נלווים







