שער לוגי - 2 כניסות - SMD - 3V-18V - 136MA - NAND TEXAS INSTRUMENTS ועוד מעגלים משולבים (IC). לחצו למיפרט טכני מלא. צרו קשר לייעוץ מקצועי: 04-8520233
שער לוגי - 2 כניסות - SMD - 3V-18V - 136MA - NAND
♦ מק''ט יצרן : CD40107BPW
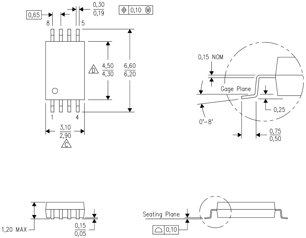
♦ מבנה הרכיב : TSSOP-8
.jpg)
מוצרים נלווים







