שער לוגי - 8 כניסות - SMD - 3V-18V - 6.8MA - MULTI TEXAS INSTRUMENTS ועוד מעגלים משולבים (IC). לחצו למיפרט טכני מלא. צרו קשר לייעוץ מקצועי: 04-8520233
שער לוגי - 8 כניסות - SMD - 3V-18V - 6.8MA - MULTI
♦ מק''ט יצרן : CD4048BPW
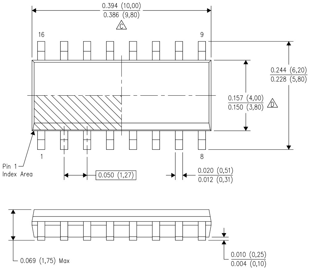
♦ מבנה הרכיב : TSSOP-14
.jpg)
מוצרים נלווים







