דלגלג - SMD - 1.65V-3.6V - 150MHZ - 24MA - 5.2ns - POS - D TEXAS INSTRUMENTS ועוד מעגלים משולבים (IC). לחצו למיפרט טכני מלא. צרו קשר לייעוץ מקצועי: 04-8520233
שתף
דלגלג - SMD - 1.65V-3.6V - 150MHZ - 24MA - 5.2ns - POS - D
♦ מק''ט יצרן : SN74LVC74AD
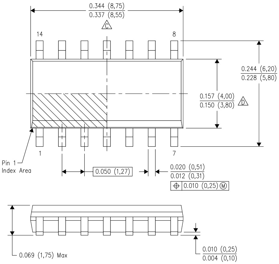
♦ מבנה הרכיב : SOIC-14
.jpg)
מוצרים נלווים







