דלגלג - SMD - 2V-6V - 60MHZ - 5.2MA - 13ns - POS - D TEXAS INSTRUMENTS ועוד מעגלים משולבים (IC). לחצו למיפרט טכני מלא. צרו קשר לייעוץ מקצועי: 04-8520233
שתף
דלגלג - SMD - 2V-6V - 60MHZ - 5.2MA - 13ns - POS - D
♦ מק''ט יצרן : SN74HC175PW
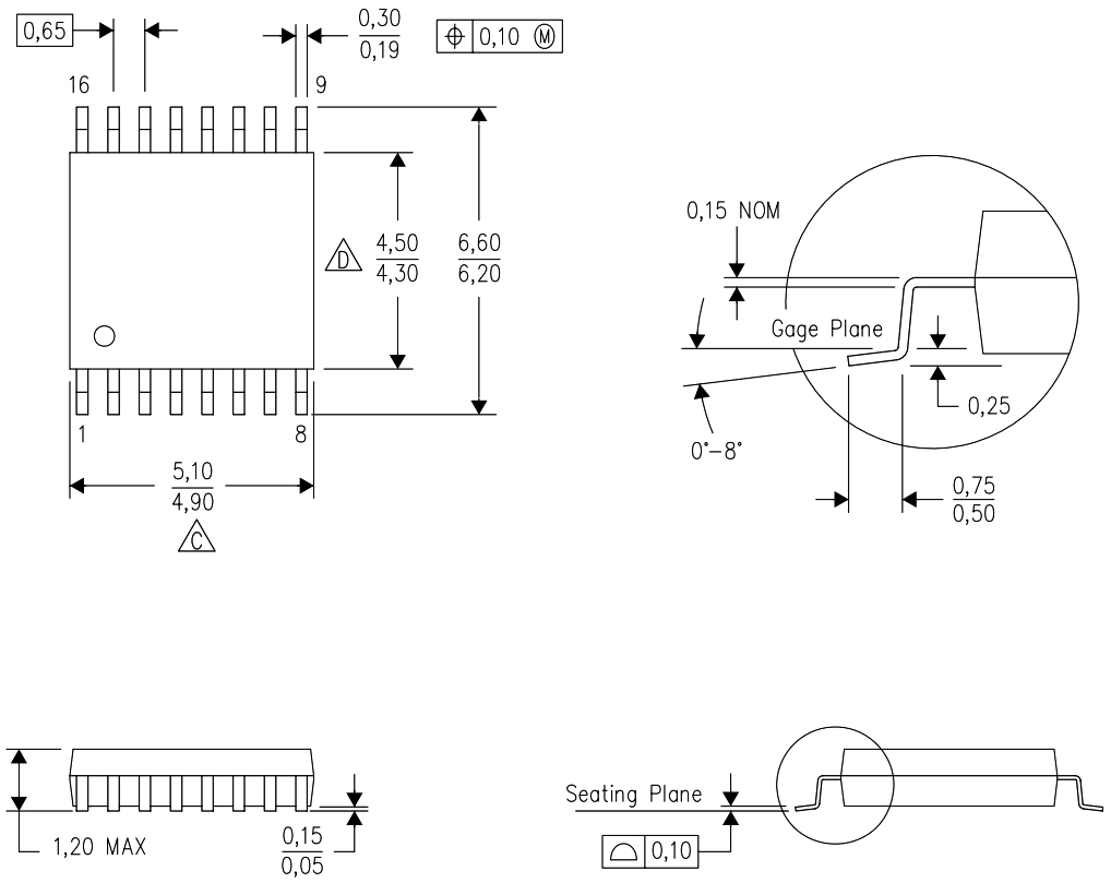
♦ מבנה הרכיב : TSSOP-16
.jpg)
מוצרים נלווים







