דלגלג - SMD - 1.65V-3.6V - 150MHZ - 24MA - 4.5ns - POS - D TEXAS INSTRUMENTS ועוד מעגלים משולבים (IC). לחצו למיפרט טכני מלא. צרו קשר לייעוץ מקצועי: 04-8520233
שתף
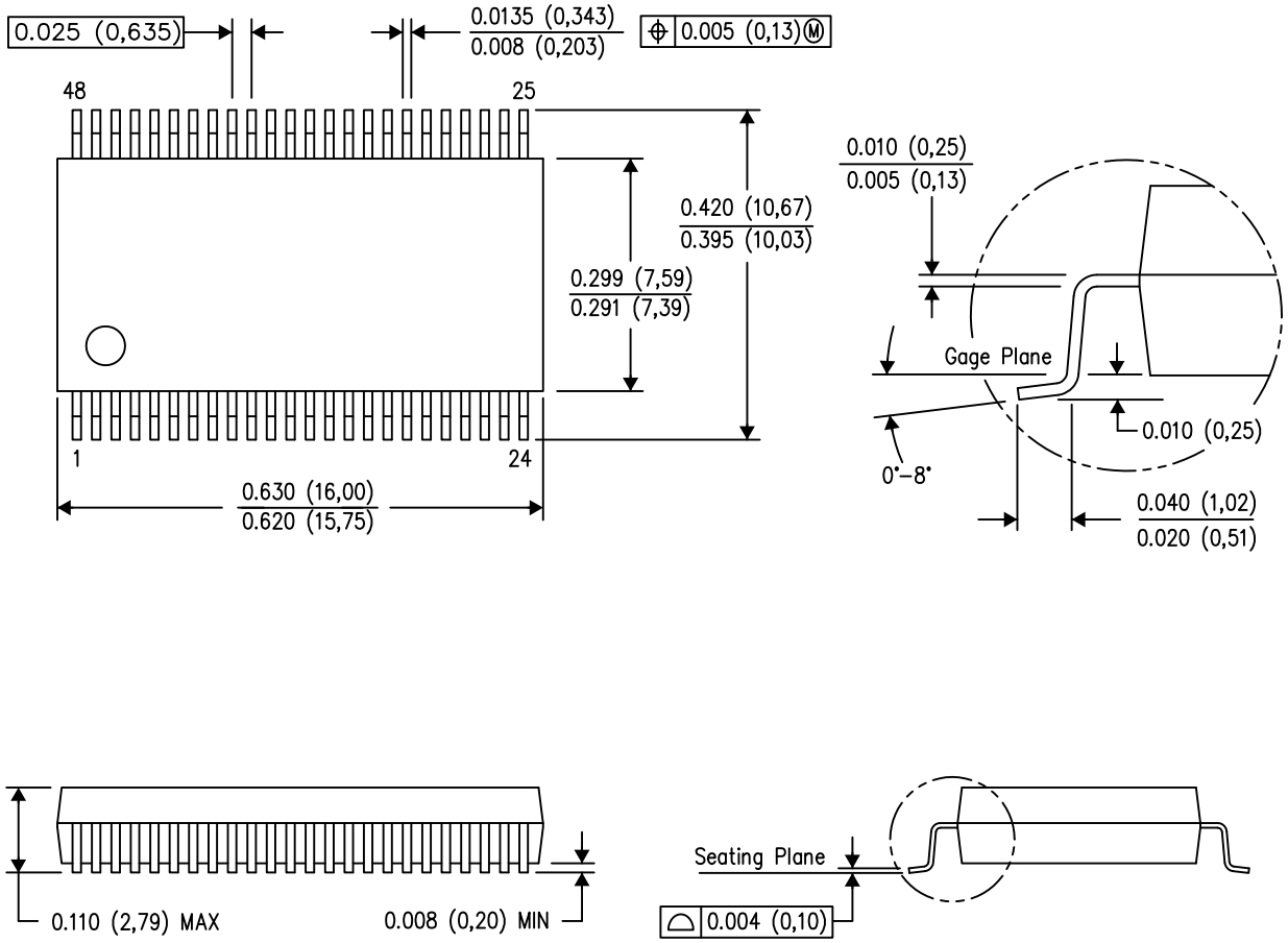
דלגלג - SMD - 1.65V-3.6V - 150MHZ - 24MA - 4.5ns - POS - D
♦ מק''ט יצרן : SN74LVC16374ADGGR
♦ מבנה הרכיב : TSSOP-48
.jpg)
מוצרים נלווים







