מסית רמה - 4 כניסות - SMD - 1.2V-3.6V - 20µA - 4ns TEXAS INSTRUMENTS ועוד מעגלים משולבים (IC). לחצו למיפרט טכני מלא. צרו קשר לייעוץ מקצועי: 04-8520233
שתף
מסית רמה - 4 כניסות - SMD - 1.2V-3.6V - 20µA - 4ns
♦ מק''ט יצרן : TXB0104D
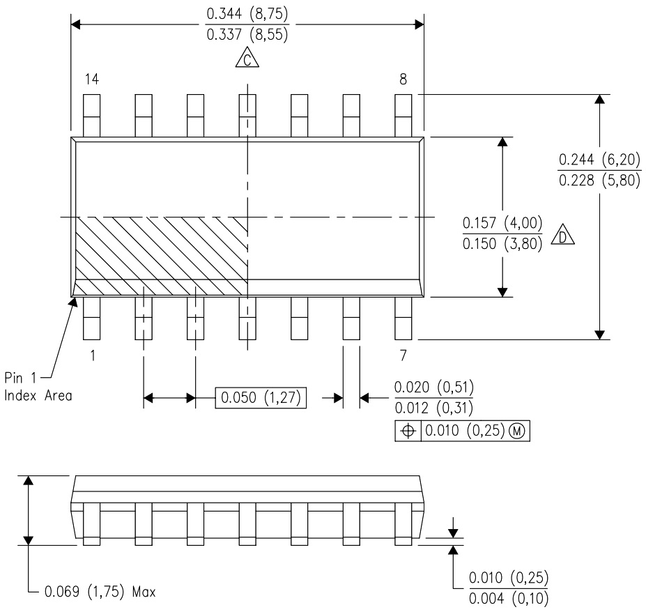
♦ מבנה הרכיב : SOIC-14
.jpg)
מוצרים נלווים







