מסית רמה - 6 כניסות - SMD - 5V-18V - 6.8MA - 140ns TEXAS INSTRUMENTS ועוד מעגלים משולבים (IC). לחצו למיפרט טכני מלא. צרו קשר לייעוץ מקצועי: 04-8520233
מסית רמה - 6 כניסות - SMD - 5V-18V - 6.8MA - 140ns
♦ מק''ט יצרן : CD4504BM
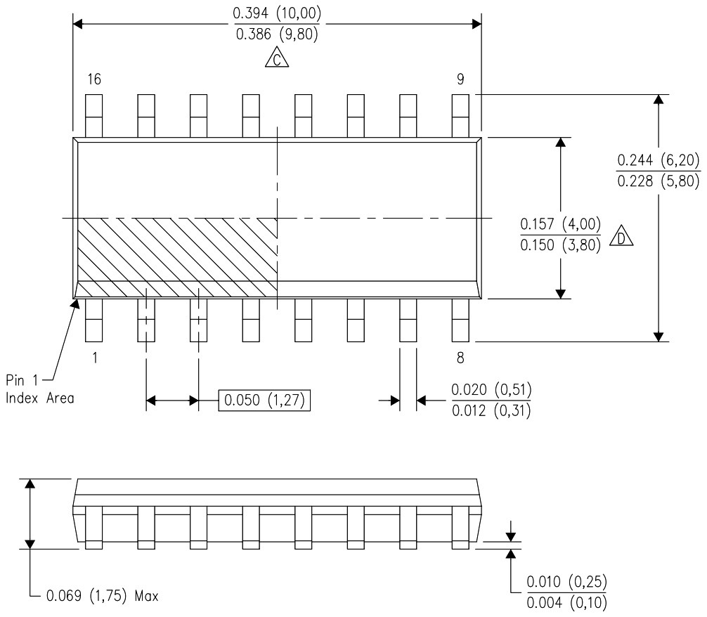
♦ מבנה הרכיב : SOIC-16
.jpg)
מוצרים נלווים







