מסית רמה - 2 כניסות - SMD - 4.5V-5.5V - 64MA - 150µs TEXAS INSTRUMENTS ועוד מעגלים משולבים (IC). לחצו למיפרט טכני מלא. צרו קשר לייעוץ מקצועי: 04-8520233
מסית רמה - 2 כניסות - SMD - 4.5V-5.5V - 64MA - 150µs
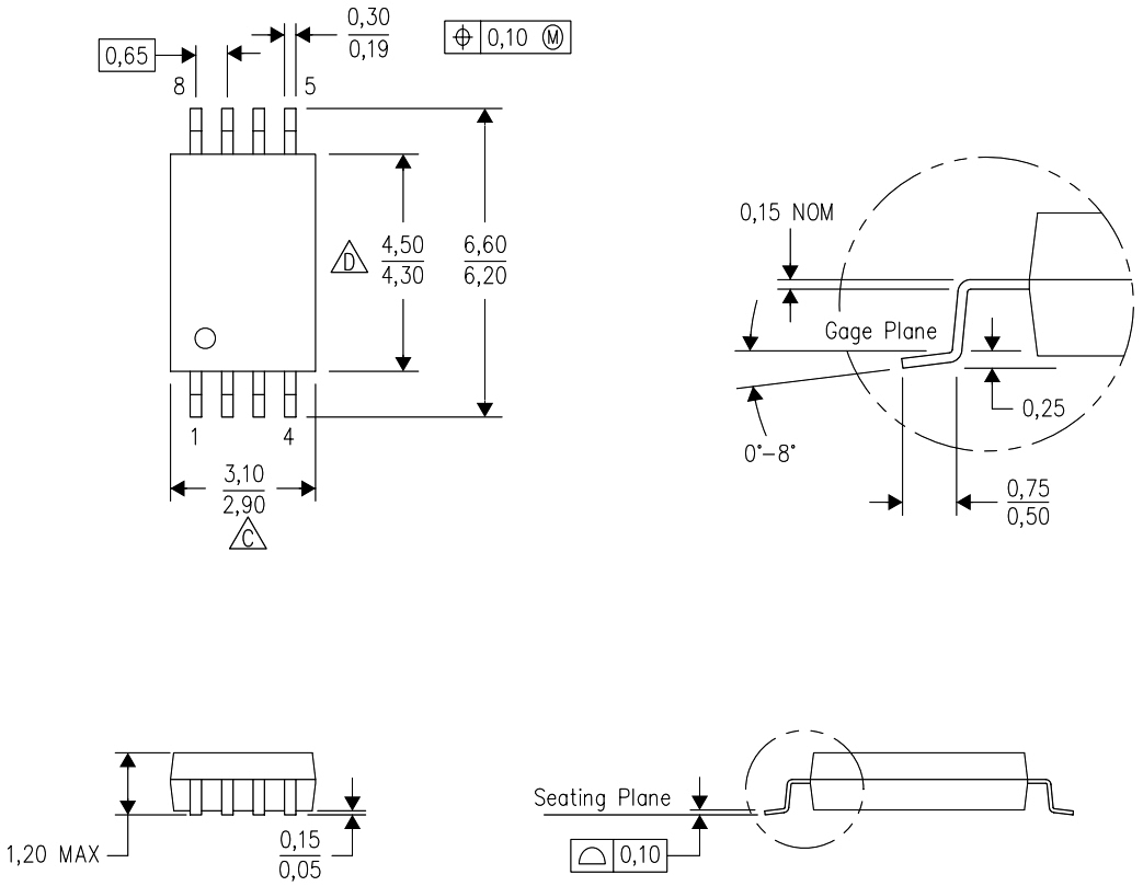
♦ מק''ט יצרן : SN74CBTD3306CPW
♦ מבנה הרכיב : TSSOP-8
.jpg)
מוצרים נלווים







