מסית רמה - 16 כניסות - SMD - 1.4V-3.6V - 12MA - 3.1ns TEXAS INSTRUMENTS ועוד מעגלים משולבים (IC). לחצו למיפרט טכני מלא. צרו קשר לייעוץ מקצועי: 04-8520233
שתף
מסית רמה - 16 כניסות - SMD - 1.4V-3.6V - 12MA - 3.1ns
♦ מק''ט יצרן : SN74AVCA164245GR
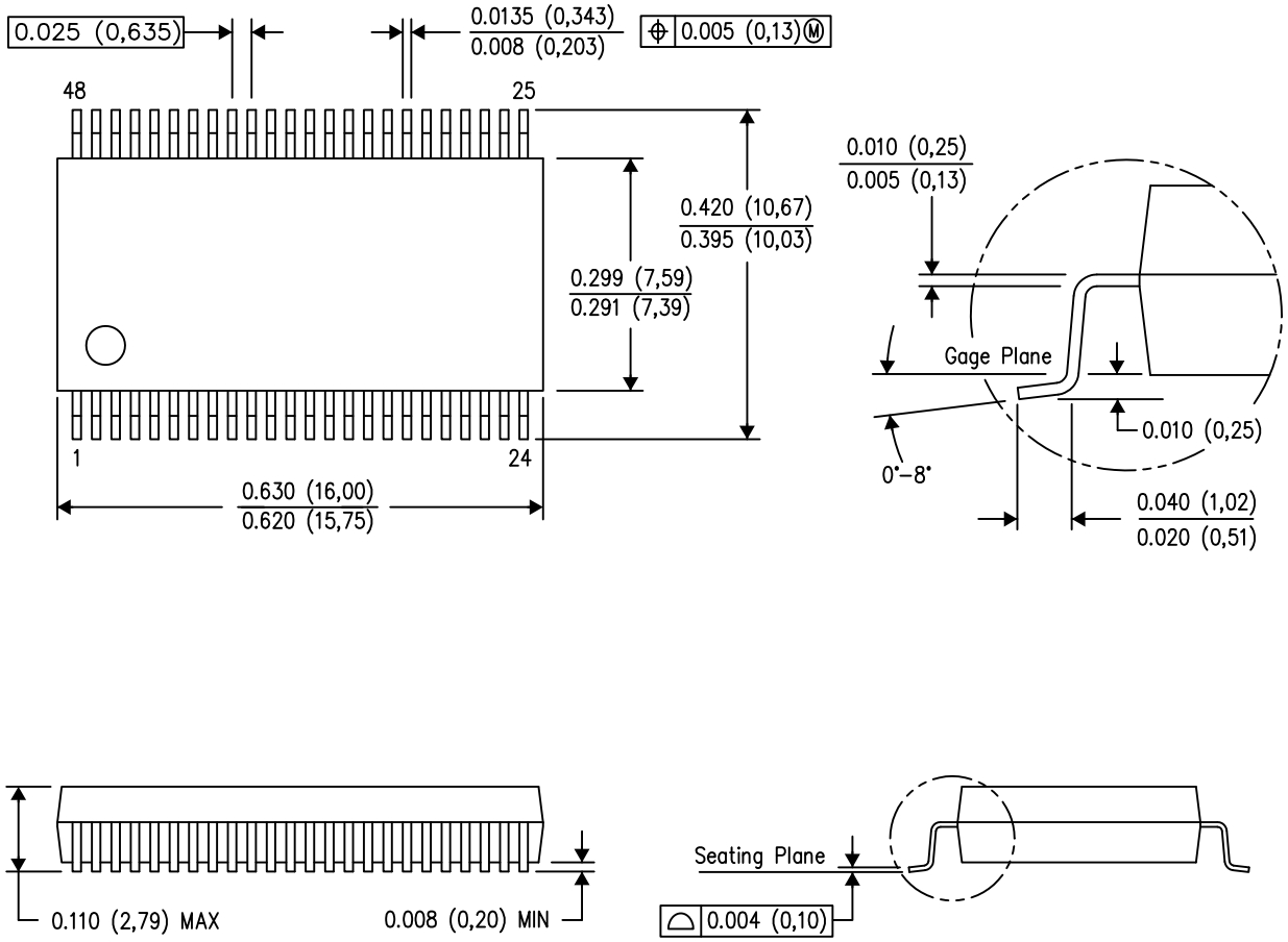
♦ מבנה הרכיב : TSSOP-48
.jpg)
מוצרים נלווים







