רב רטט - SMD - 2V-6V - 5.2MA - 21ns - MSTBL TEXAS INSTRUMENTS ועוד מעגלים משולבים (IC). לחצו למיפרט טכני מלא. צרו קשר לייעוץ מקצועי: 04-8520233
שתף
רב רטט - SMD - 2V-6V - 5.2MA - 21ns - MSTBL
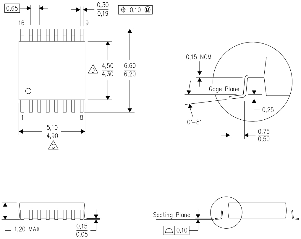
♦ מק''ט יצרן : CD74HC4538PW
♦ מבנה הרכיב : TSSOP-16
.jpg)
מוצרים נלווים







