אוגר היסט - אלמנט 1 - SMD - 2V-5.5V - SER⇒PAR TEXAS INSTRUMENTS ועוד מעגלים משולבים (IC). לחצו למיפרט טכני מלא. צרו קשר לייעוץ מקצועי: 04-8520233
אוגר היסט - אלמנט 1 - SMD - 2V-5.5V - SER⇒PAR
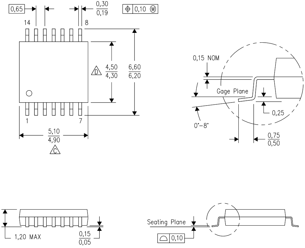
♦ מק''ט יצרן : SN74LV164APWR
♦ מבנה הרכיב : TSSOP-14
.jpg)
מוצרים נלווים







