מעגלים משולבים (IC) » ממירים דיגיטלי לאנלוגי - DAC » ממירים דיגיטלי לאנלוגי - DIGITAL TO ANALOG CONVERTER (DAC) - TSSOP
ממיר דיגיטלי לאנלוגי (SMD - 12BIT - 95KSPS - SERIAL - (DAC ANALOG DEVICES ועוד מעגלים משולבים (IC). לחצו למיפרט טכני מלא. צרו קשר לייעוץ מקצועי: 04-8520233
ממיר דיגיטלי לאנלוגי (SMD - 12BIT - 95KSPS - SERIAL - (DAC
♦ מק''ט יצרן : AD5628BRUZ-2
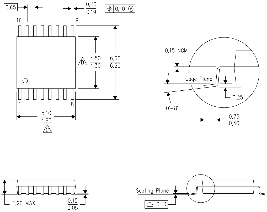
♦ מבנה הרכיב : TSSOP-16
.jpg)
מוצרים נלווים







