מעגלים משולבים (IC) » ממירים דיגיטלי לאנלוגי - DAC » ממירים דיגיטלי לאנלוגי - DIGITAL TO ANALOG CONVERTER (DAC) - TSSOP
ממיר דיגיטלי לאנלוגי (SMD - 8BIT - 833KSPS - PARALLEL - (DAC ANALOG DEVICES ועוד מעגלים משולבים (IC). לחצו למיפרט טכני מלא. צרו קשר לייעוץ מקצועי: 04-8520233
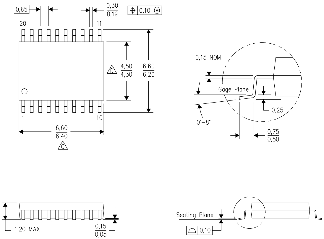
ממיר דיגיטלי לאנלוגי (SMD - 8BIT - 833KSPS - PARALLEL - (DAC
♦ מק''ט יצרן : AD7801BRUZ
♦ מבנה הרכיב : TSSOP-20
.jpg)
מוצרים נלווים







