מעגלים משולבים (IC) » ממירים דיגיטלי לאנלוגי - DAC » ממירים דיגיטלי לאנלוגי - DIGITAL TO ANALOG CONVERTER (DAC) - TSSOP
ממיר דיגיטלי לאנלוגי (SMD - 10BIT - 143KSPS - PARALLEL - (DAC ANALOG DEVICES ועוד מעגלים משולבים (IC). לחצו למיפרט טכני מלא. צרו קשר לייעוץ מקצועי: 04-8520233
ממיר דיגיטלי לאנלוגי (SMD - 10BIT - 143KSPS - PARALLEL - (DAC
♦ מק''ט יצרן : AD5347BRUZ
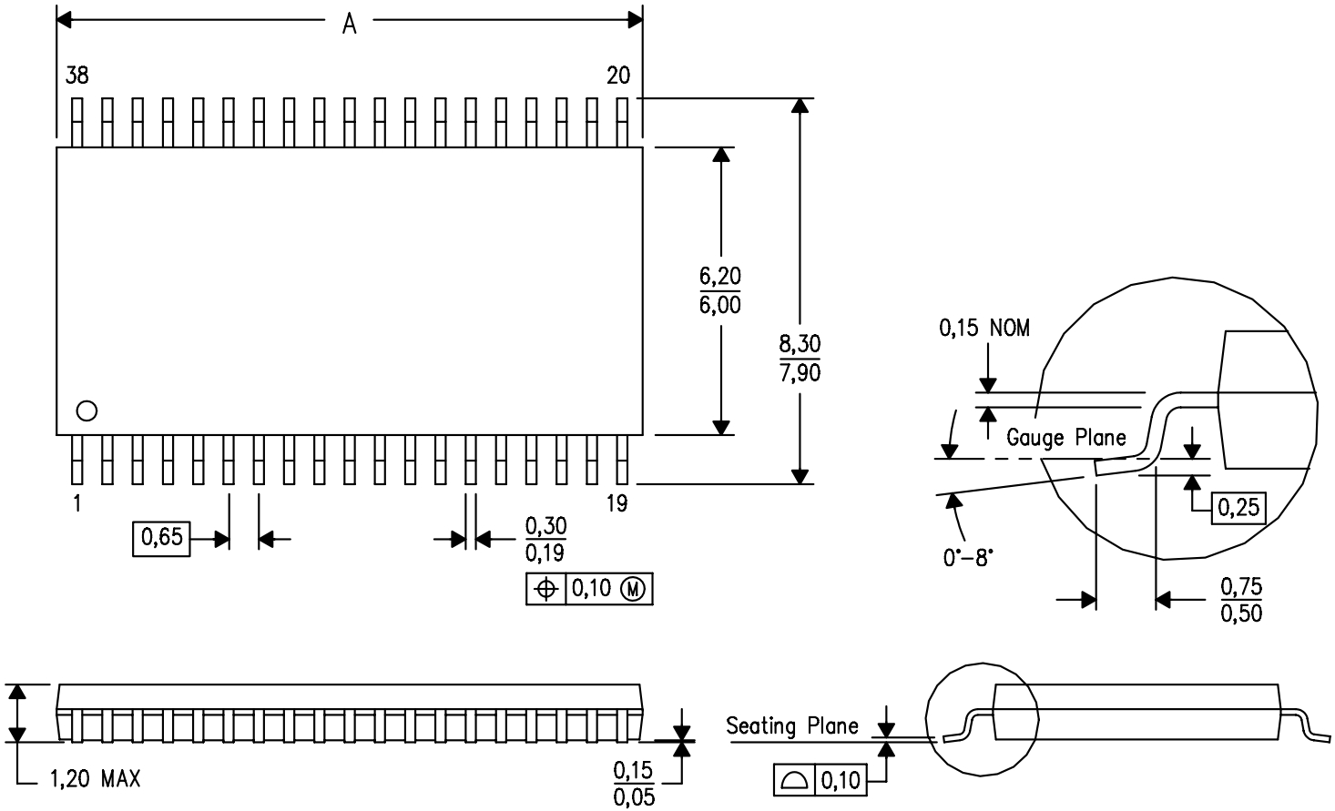
♦ מבנה הרכיב : TSSOP-38

מוצרים נלווים







