מעגלים משולבים (IC) » ממירים דיגיטלי לאנלוגי - DAC » ממירים דיגיטלי לאנלוגי - DIGITAL TO ANALOG CONVERTER (DAC) - MSOP
ממיר דיגיטלי לאנלוגי (SMD - 16BIT - 125KSPS - SINGLE - (DAC ANALOG DEVICES ועוד מעגלים משולבים (IC). לחצו למיפרט טכני מלא. צרו קשר לייעוץ מקצועי: 04-8520233
ממיר דיגיטלי לאנלוגי (SMD - 16BIT - 125KSPS - SINGLE - (DAC
♦ מק''ט יצרן : AD5660CRMZ-3
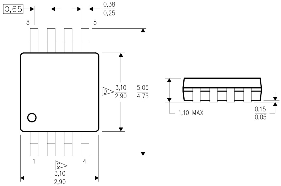
♦ מבנה הרכיב : MSOP-8
.jpg)
מוצרים נלווים







