מחבר BNC - נקבה זוויתית להלחמה למעגל מודפס עם גוף מבודד MULTICOMP ועוד קונקטורים, מחברים ומתאמים. לחצו למיפרט טכני מלא. צרו קשר לייעוץ מקצועי: 04-8520233
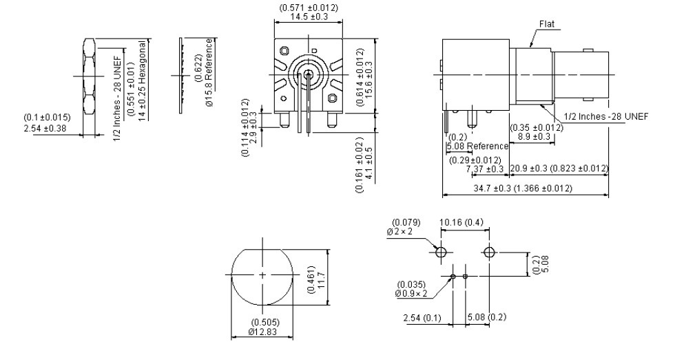
מחבר BNC - נקבה זוויתית להלחמה למעגל מודפס עם גוף מבודד
♦ התנגדות : 50R
♦ סוג מוליך : גוף בציפוי ניקל עם פין בציפוי זהב
♦ תדר מקסימלי : 4GHZ
♦ שיטת חיבור : מעגל מודפס
.jpg)
מוצרים נלווים







