מחבר BNC - נקבה להלחמה לכבל עם הברגה לפנל MULTICOMP ועוד קונקטורים, מחברים ומתאמים. לחצו למיפרט טכני מלא. צרו קשר לייעוץ מקצועי: 04-8520233
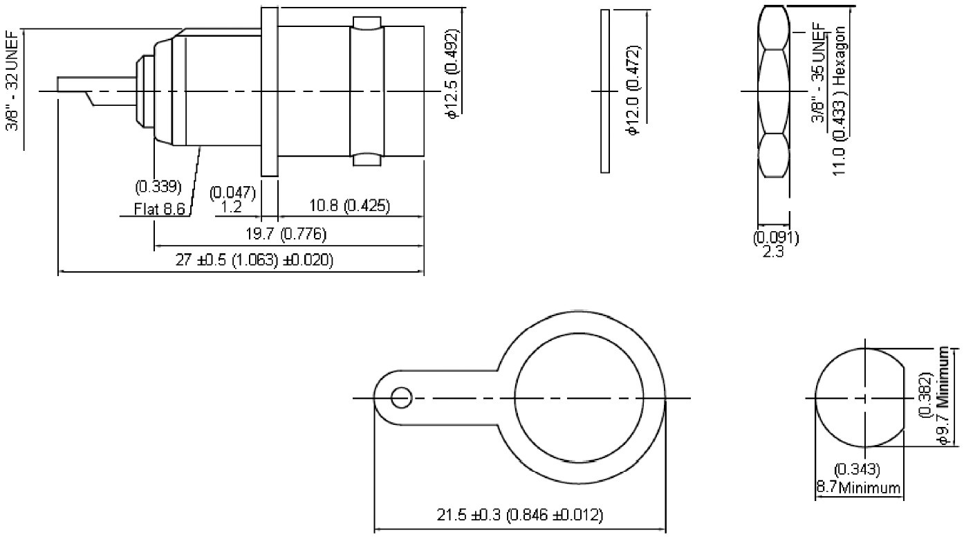
מחבר BNC - נקבה להלחמה לכבל עם הברגה לפנל
התנגדות : 75R
סוג מוליך : גוף בציפוי ניקל עם פין בציפוי זהב
תדר מקסימלי : 11GHZ
שיטת חיבור : הלחמה
.jpg)
מוצרים נלווים







