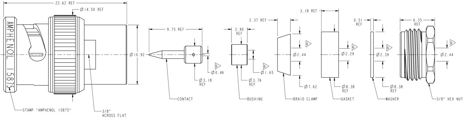
מחבר BNC - זכר להלחמה לכבל RG178 AMPHENOL ועוד קונקטורים, מחברים ומתאמים. לחצו למיפרט טכני מלא. צרו קשר לייעוץ מקצועי: 04-8520233
מחבר BNC - זכר להלחמה לכבל RG178
♦ התנגדות : 50R
♦ סוג מוליך : גוף בציפוי ניקל עם פין בציפוי כסף
♦ תדר מקסימלי : 4GHZ
♦ שיטת חיבור : לחיצה

מוצרים נלווים
| תמונה | תיאור מוצר | הוסף לסל | |||
|---|---|---|---|---|---|
| 1876532 כבל קואקס מקצועי - PRO POWER - RG178 | PRO-POWER | כבל קואקס מקצועי - PRO POWER - RG178 ♦ התנגדות : 50R♦ מבנה המוליך : 7/0.1MM SP... כבלים ואביזרים לכבלים » כבלים קואקסיאליים | כמות |







