טרימר רב סיבובי - סדרה 1K - 3006P BOURNS ועוד רכיבי אלקטרוניקה. לחצו למיפרט טכני מלא. צרו קשר לייעוץ מקצועי: 04-8520233
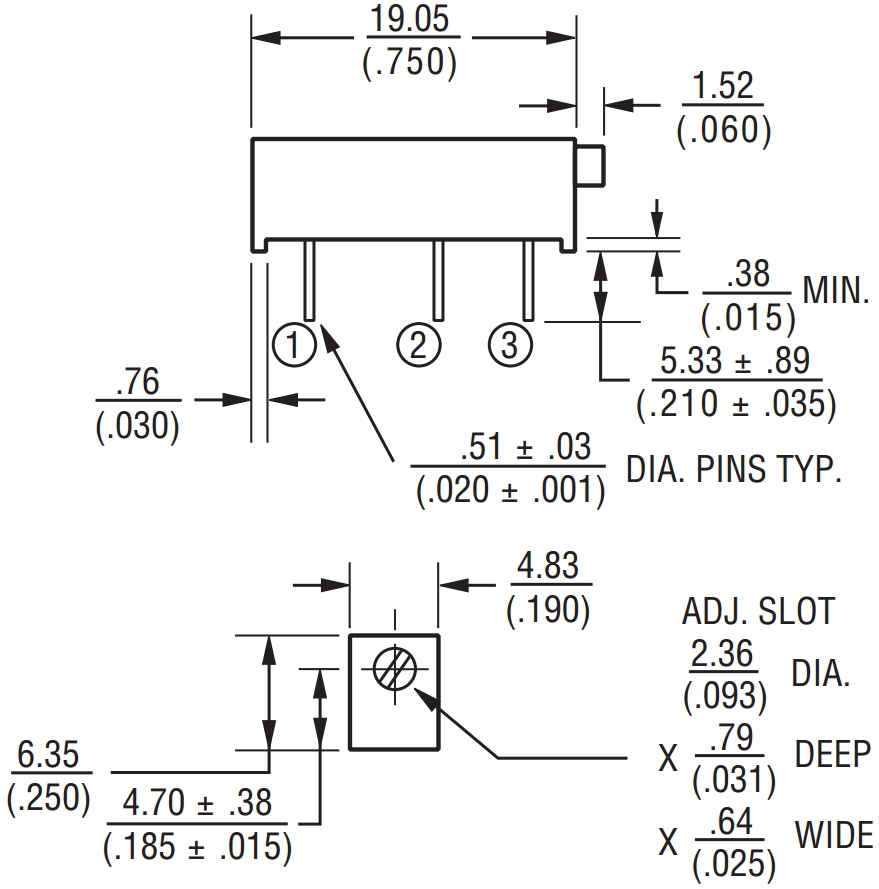
טרימר רב סיבובי - סדרה 1K - 3006P
♦ מספר סיבובים : 15
♦ הספק : 0.75W
♦ מתח מקסימלי : 400V
♦ טמפרטורת עבודה : 55ºC - 125ºC-

מוצרים נלווים
| תמונה | תיאור מוצר | הוסף לסל | |||
|---|---|---|---|---|---|
| 1505213 סט מברגי כיוון אנטיסטטי - 3 יחידות - PROSKIT 1PK-606A-F | PROSKIT | סט מברגי כיוון אנטיסטטי - 3 יחידות - PROSKIT 1PK-606A-F ... כלי עבודה ידניים » מברגים לאלקטרוניקה , חשמל וסטים | כמות | |
| 3605213 סט מברגי כיוון לטרימרים - 10 יחידות | PROSKIT | סט מברגי כיוון לטרימרים - 10 יחידות ♦ דגם : 9PK-A002 ... כלי עבודה ידניים » מברגים לאלקטרוניקה , חשמל וסטים | כמות | |
| 508841 מתאם לחיבור טרימר רב סיבובי לפנל - סדרה 3006P | BOURNS | מתאם לחיבור טרימר רב סיבובי לפנל - סדרה 3006P ... רכיבי אלקטרוניקה » פוטנציומטרים וטרימרים לאלקטרוניקה | כמות |







