ראש לשואב בדיל ידני חשמלי 40W DURATOOL ועוד מלחמים ותחנות הלחמה. לחצו למיפרט טכני מלא. צרו קשר לייעוץ מקצועי: 04-8520233
שתף
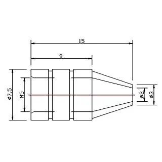
ראש לשואב בדיל ידני חשמלי 40W
♦ אורך כללי : 15MM
מוצרים נלווים
| תמונה | תיאור מוצר | הוסף לסל | |||
|---|---|---|---|---|---|
| 0591522 שואב בדיל ידני חשמלי - 40W | DURATOOL | שואב בדיל ידני חשמלי - 40W ♦ טמפרטורת עבודה : 150°C ~ 450°C♦ אורך כללי... מלחמים ותחנות הלחמה » שואבי בדיל לאלקטרוניקה | כמות |







