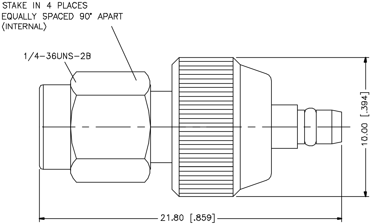
מתאם קואקסיאלי - SMA PLUG - MMCX PLUG AMPHENOL ועוד קונקטורים, מחברים ומתאמים. לחצו למיפרט טכני מלא. צרו קשר לייעוץ מקצועי: 04-8520233
מתאם קואקסיאלי - SMA PLUG - MMCX PLUG

מוצרים נלווים
|
טיפים והמלצות פנס עבודה מקצועי לעבודות אלקטרוניקה פתרונות קירור לאלקטרוניקה: למה הפרויקט שלכם צריך מאוורר או גוף קירור? דרמל ושימושים של הכלי הרב תכליתי קליבר - הכלי המדוייק למדידה מזוודת אחסון כלי עבודה מוצרי תחזוקה וניקוי באלקטרוניקה זיווד באלקטרוניקה - קופסאות חשמל פלסטיק ציוד ניקיון - כלים חשמליים לניקיון שואבי אבק לתעשיה ולבית - לניקיון מהיר ויסודי ארגזי כלים ופתרונות אחסון לציוד וכלי עבודה |
מתאם קואקסיאלי - SMA PLUG - MMCX PLUG AMPHENOL ועוד קונקטורים, מחברים ומתאמים. לחצו למיפרט טכני מלא. צרו קשר לייעוץ מקצועי: 04-8520233 מתאם קואקסיאלי - SMA PLUG - MMCX PLUG
מוצרים נלווים |