מחבר MCX - נקבה להלחמה למעגל מודפס MULTICOMP ועוד קונקטורים, מחברים ומתאמים. לחצו למיפרט טכני מלא. צרו קשר לייעוץ מקצועי: 04-8520233
מחבר MCX - נקבה להלחמה למעגל מודפס
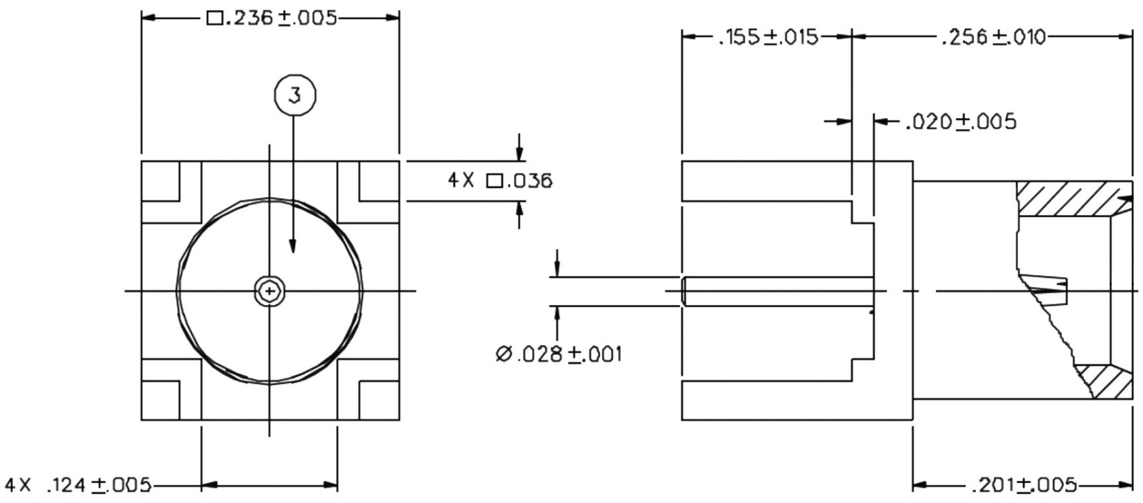
♦ התנגדות : 50R
♦ ציפוי מגעים : זהב
♦ תדר מקסימלי :6GHZ

מוצרים נלווים
|
טיפים והמלצות פתרונות קירור לאלקטרוניקה: למה הפרויקט שלכם צריך מאוורר או גוף קירור? דרמל ושימושים של הכלי הרב תכליתי קליבר - הכלי המדוייק למדידה מזוודת אחסון כלי עבודה מוצרי תחזוקה וניקוי באלקטרוניקה זיווד באלקטרוניקה - קופסאות חשמל פלסטיק ציוד ניקיון - כלים חשמליים לניקיון מחברים אלקטרוניים וסיבים אופטיים שואבי אבק לתעשיה ולבית - לניקיון מהיר ויסודי ארגזי כלים ופתרונות אחסון לציוד וכלי עבודה |
מחבר MCX - נקבה להלחמה למעגל מודפס MULTICOMP ועוד קונקטורים, מחברים ומתאמים. לחצו למיפרט טכני מלא. צרו קשר לייעוץ מקצועי: 04-8520233 מחבר MCX - נקבה להלחמה למעגל מודפס
♦ התנגדות : 50R ♦ ציפוי מגעים : זהב ♦ תדר מקסימלי :6GHZ
מוצרים נלווים |