מחבר MOLEX להלחמה למעגל מודפס - סדרת MEGA-FIT - זכר 8 מגעים MOLEX ועוד קונקטורים, מחברים ומתאמים. לחצו למיפרט טכני מלא. צרו קשר לייעוץ מקצועי: 04-8520233
מחבר MOLEX להלחמה למעגל מודפס - סדרת MEGA-FIT - זכר 8 מגעים
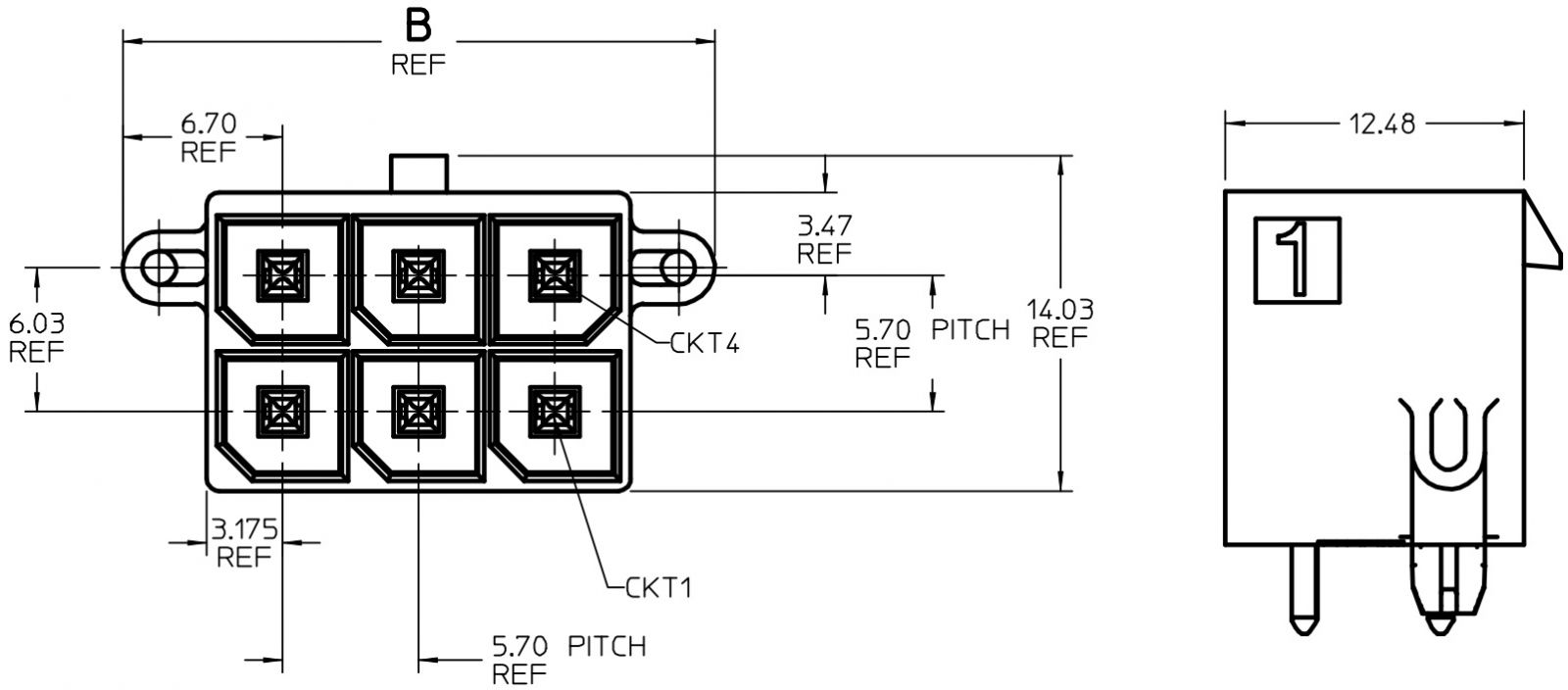
♦ מק''ט יצרן : 172065-0008
♦ סוג מחבר : STRAIGHT HEADER DUAL ROW
♦ שיטת חיבור : הלחמה
♦ מרווח בין מגעים : 5.7MM
♦ מתח מקסימלי : 600V AC/DC
♦ זרם מקסימלי : 23A
♦ מינימום להזמנה : 10 יחידות

מוצרים נלווים
| תמונה | תיאור מוצר | הוסף לסל | |||
|---|---|---|---|---|---|
| 5813832 מחבר MOLEX ללחיצה לכבל - סדרת MEGA-FIT - נקבה 8 מגעים | MOLEX | מחבר MOLEX ללחיצה לכבל - סדרת MEGA-FIT - נקבה 8 מגעים ♦ מק''ט יצרן : 171692-0108&... קונקטורים, מחברים ומתאמים » מחברים ומתאמים - MOLEX | כמות |







