מחבר D-TYPE COMBO - זכר להלחמה לכבל - 20A - DA-11W1 NORCOMP ועוד קונקטורים, מחברים ומתאמים. לחצו למיפרט טכני מלא. צרו קשר לייעוץ מקצועי: 04-8520233
מחבר D-TYPE COMBO - זכר להלחמה לכבל - 20A - DA-11W1
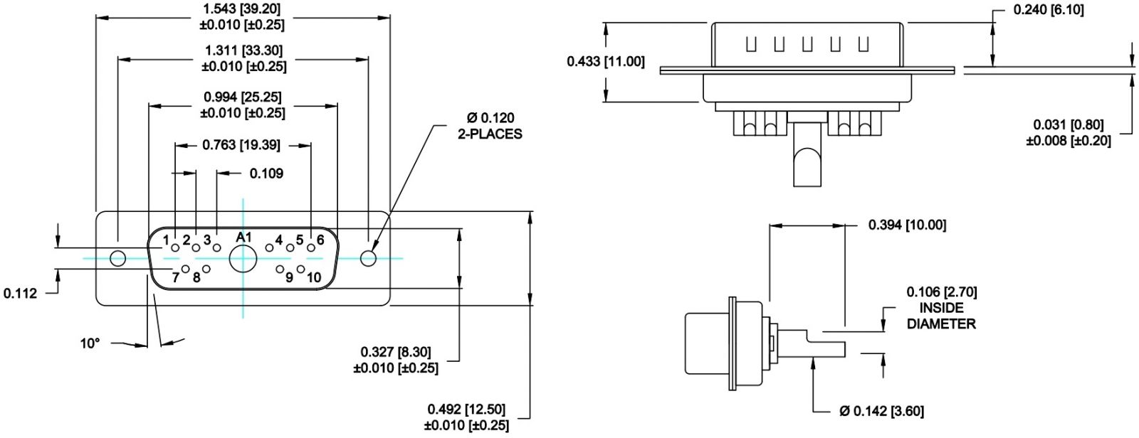
תצורת המחבר :
♦ 10 מגעים SIGNAL לזרם מקסימלי של 5A
♦ 1 מגעים POWER לזרם מקסימלי של 20A (כבל 12AWG)
♦ מעטפת מפלדה עם ציפוי ניקל
♦ מגעים מנחושת עם ציפוי זהב
♦ מבודד פוליאסטר UL 94V-O
♦ מתח מקסימלי : 500VAC R.M.S
♦ טמפרטורת עבודה : 55°C - 125°C-

מוצרים נלווים
| תמונה | תיאור מוצר | הוסף לסל | |||
|---|---|---|---|---|---|
| 9511242 מחבר D-TYPE COMBO - נקבה להלחמה לכבל - 20A - DA-11W1 | NORCOMP | מחבר D-TYPE COMBO - נקבה להלחמה לכבל - 20A - DA-11W1 תצורת המחבר : ♦ 10 מ... קונקטורים, מחברים ומתאמים » מחברים ומתאמים - D-TYPE | כמות |







